mq-7引脚图

传感器mq7中集成了放大电路吗
图片尺寸960x401
电脑板针脚图 m7 带空调
图片尺寸606x604
斯柯达野帝打火打不着挂档挂不动
图片尺寸1024x1365
苹果7麦克风无法启动怎么解决(苹果7麦克风用不了怎么办) 6
图片尺寸640x643
2,mq-7标准工作条件
图片尺寸2016x954
mq-7一氧化碳传感器模块
图片尺寸472x357
mq7一氧化碳传感器简介
图片尺寸920x1303
esp32-wifi mpython dth11 activemq mqtt温湿度采集嵌入式开发物联网
图片尺寸1297x893
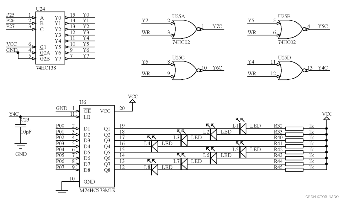
mqg5读图:控制led灯led灯的控制引脚不是直接接到单片机的p0接口上
图片尺寸1185x695
mq-7一氧化碳传感器设计原理图及pcb图程序
图片尺寸990x516
mq-7 mq7 co 一氧化碳气体传感器上课讲义
图片尺寸959x1356
《mq-7一氧化碳传感器模块.doc》缩略图
图片尺寸792x1120
bcd to 7 segment decoder 74ls247
图片尺寸218x187
mq-2 的电路图如图 3.
图片尺寸487x276
我画了一个mq7的烟雾模块,但做出来后不行,可不可以帮我看一下是什么
图片尺寸600x365
使用arduinoide编译esp8266wemosd1mini模块dht11bmp180mq135上传到
图片尺寸1702x2124
通过mq-7一氧化碳传感器能够检测车内一氧化碳浓度,并将其通过oled
图片尺寸600x399
新手慢做m7,交流点灯有噪音
图片尺寸550x440
rakstore 2 件 mq7 mq-7 一氧化碳 co 气体报警传感器检测模块
图片尺寸400x383
单片机mq7一氧化碳原理图及pcb图
图片尺寸619x546