mt6737

定位在初级的入门阶段,硬件配置上很低很低,处理器是联发科mt6737m
图片尺寸800x600
mtk6737安卓工控核心板mt6739手机方案全网通4g模块lte模块wifi
图片尺寸800x800![[原创] 提供mt6771/mt6735/mt6763/mt6753/mt6737/mt6765/mtk6580](https://imgs.wantubizhi.com/img/ADDA3C5D760C6828B77B505A29D43E83BF006986E42CFC5C8F1C81796E036E0BB293B6940F05C1BA6F0AD2F702544E226CAA0FD07F6A050F65BA79425A0497BC4F4914F2A35F11CE9921964616E9481084FD0AA93477AAEAE85F2454E91D9290)
[原创] 提供mt6771/mt6735/mt6763/mt6753/mt6737/mt6765/mtk6580
图片尺寸785x534
联发科mt6737_mtk 4g/5g安卓核心板_安卓智能模块主板定制开发
图片尺寸1028x596
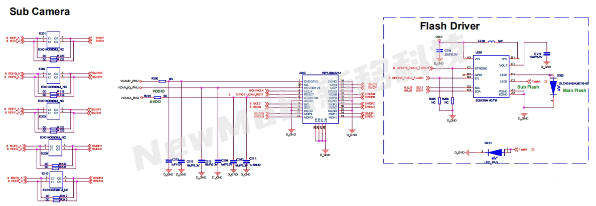
联发科安卓核心板开发板_mtk6737/mt6737系列设计资料电路原理图
图片尺寸1132x754
基本配置方面搭载5寸屏幕,联发科mt6737处理器,2gb/16gb rom,1300万主
图片尺寸640x480
低端:mt6750,mt6738,mt6737,mt6732,mt6735中端:mt6755,mt6752,mt6753
图片尺寸1280x719
utab zl809 功能特点: 8寸屏,只防摔,不防水,支持nfc, mt6737t方案
图片尺寸800x800
联发科mt6737_mtk 4g/5g安卓核心板_安卓智能模块主板定制开发
图片尺寸938x623
联发科安卓核心板开发板_mtk6737/mt6737系列设计资料电路原理图
图片尺寸1051x404
联发科安卓核心板开发板_mtk6737/mt6737系列设计资料电路原理图
图片尺寸1093x881
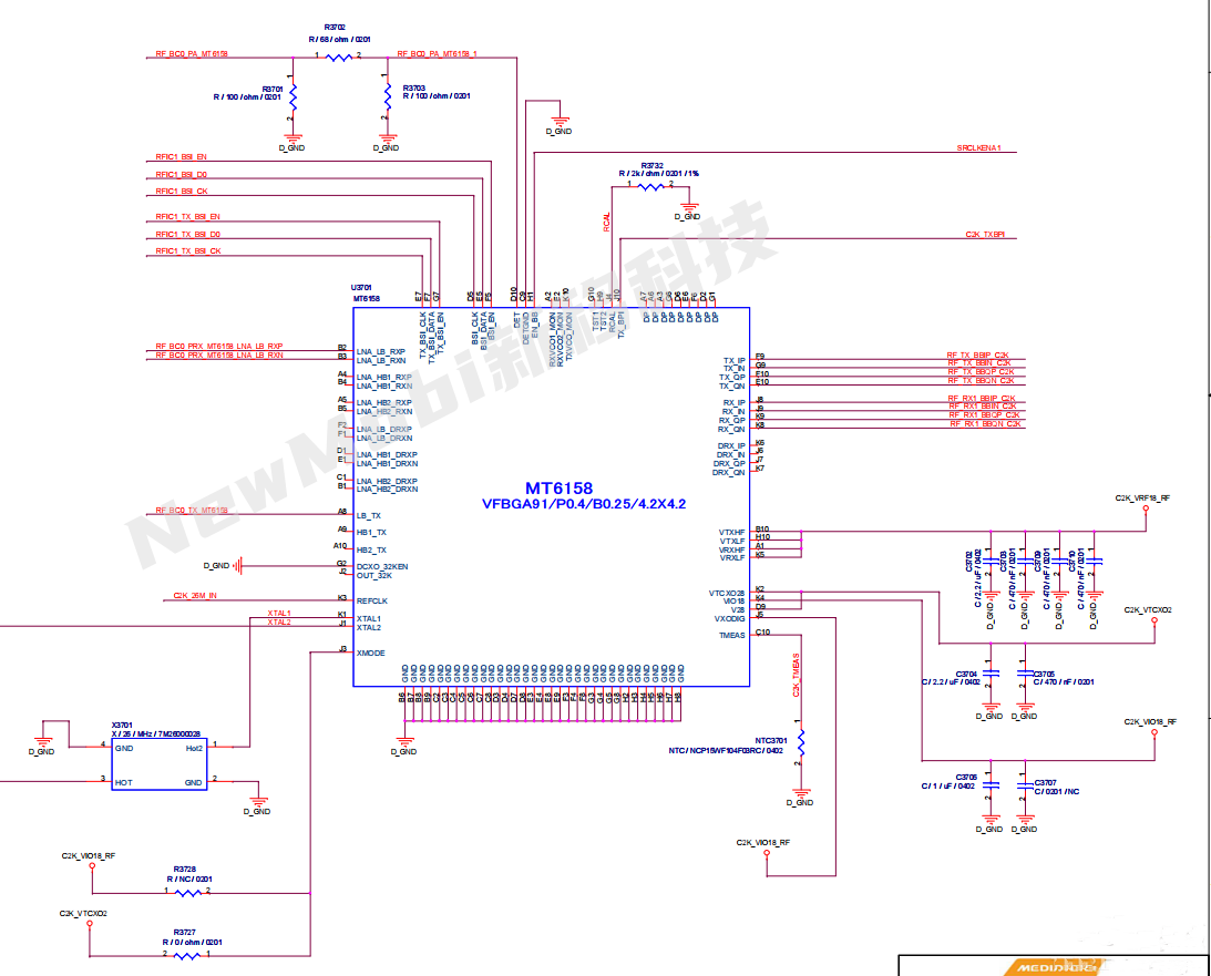
联发科安卓核心板开发板_mtk6737/mt6737系列设计资料电路原理图
图片尺寸1623x873
original mobile phone ila x 3gb ram 32gb rom mt6737 5.
图片尺寸500x500
联发科安卓核心板开发板_mtk6737/mt6737系列设计资料电路原理图
图片尺寸1521x911
安卓系统直播大屏主板 rk3399带hdmi输入21寸屏485接
图片尺寸360x360
安卓4g核心板开发板_mtk6737/mt6737安卓手机主板方案
图片尺寸1323x738
联发科安卓核心板开发板_mtk6737/mt6737系列设计资料电路原理图
图片尺寸1188x412
安卓4g核心板开发板_mtk6737/mt6737安卓手机主板方案
图片尺寸785x731
三款较廉价全网通手机芯片,包括入门级四核全网通芯片mt6737和mt6738
图片尺寸600x358
安卓4g核心板开发板_mtk6737/mt6737安卓手机主板方案
图片尺寸783x200