oz531gn电路图

高压板背光控制电路如图2-8所示,主要由u3 ( oz964)内外部电路构成,在
图片尺寸2915x2112
想做一个逆变器,12伏变220伏的那种,接近工频即可,什么波形的都行.
图片尺寸731x433
典型应用电路图
图片尺寸500x205
几个液晶的电源板电路图
图片尺寸2385x1374
在突发模式,可通过外置编程设置pwm工作频率,内置自动校准补偿电路,低
图片尺寸2812x1638
海信电视电路图(海信led液晶电视电源电路分析与维修)
图片尺寸961x421
海信led液晶电视电源电路分析与维修(图)
图片尺寸945x318
35w多路输出开关电源电路
图片尺寸3276x1996
录音喊话筒电路
图片尺寸1224x1465
4555电源板电路原理分析与检修(上)
图片尺寸3033x1032
(转帖) 戴尔se198wfpf e198wfpf电源电路电源芯片sg6841维修案例与
图片尺寸900x476
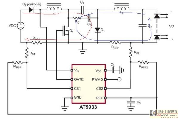
led升压升降压的驱动恒流ic推荐一
图片尺寸600x402
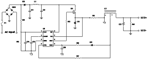
基于mc33153的驱动电路设计
图片尺寸968x500
led背光驱动控制部分电路原理图示1,驱动电路升压过程:驱动芯片oz9902
图片尺寸511x393
万用表电路图全集
图片尺寸750x501
500w大功率变压器电路原理
图片尺寸3189x2176
精密输出开关电源电路图
图片尺寸1500x914
lcd液晶屏高压驱动供电电路图很多张
图片尺寸3132x1913
高频逆变器前级电路的设计
图片尺寸1160x771
5v升压电路 谁能帮我讲下这个电路工作原理 谢了
图片尺寸904x449