p9公差

塑料制件公差表.xls
图片尺寸800x1131
铁管公差表
图片尺寸1687x609
平键平键槽尺寸与公差
图片尺寸920x1302
联轴器5,平键键槽的中心线与轴的轴心线的平行度,平键和键槽配合公差
图片尺寸577x440
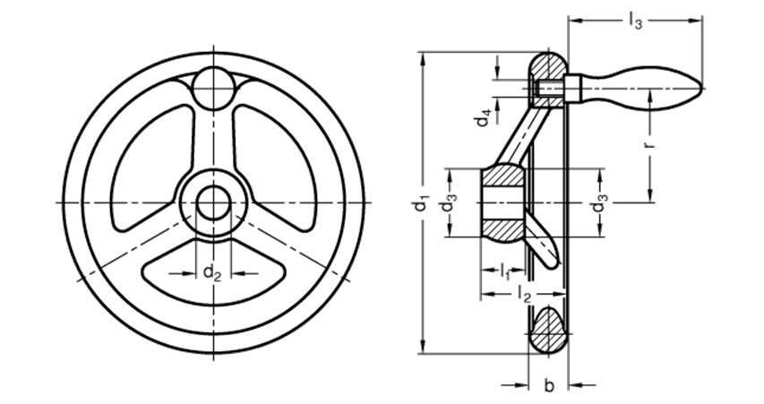
供应手轮品质 手轮产品 选购带旋转手柄的轮辐手轮到长春茗允批发零售
图片尺寸1008x432
批发手轮 优质手轮 进口手轮 带旋转手柄的实心手轮vds i vds iel
图片尺寸901x475
返回文挡 公差与配合示意图(p10) 返回文挡 公差带图(p9) 返回文挡
图片尺寸500x375
所有分类 自然科学 物理 > 平键连接参数平键键槽的尺寸与公差(摘自
图片尺寸755x576
键与键槽公差
图片尺寸630x1043
k型:h9铰孔和键槽,符合din6885/1p9规定的公差.可用平头螺钉将gn90..
图片尺寸853x451
新的里程爱的回应p9值得拥有
图片尺寸1080x1439
外媒对比华为p9系列三款手机差异对比
图片尺寸448x310
装配到轴上 衬套,带标准h7铰孔和符合 din 6885/2 p9规定公差
图片尺寸882x794
⑶键宽与键槽的配合改为p9(较紧键配合),加上形位误差影响,使之结合
图片尺寸474x207
ppt 79页
图片尺寸1152x864
意大利
图片尺寸993x573
给一个孔或轴的标注怎么知道公差等级,如25h7/p6
图片尺寸985x526
k型:轮毂带标准h7铰孔及符合din 6885/2 p9规定的公差(参见第a17)
图片尺寸772x416
装配 轮毂,带符合din 6885/2 p9 规定公差的键槽(参见a17页).gn 00..
图片尺寸1003x852
燕双鹰再战导演神枪第一将花落谁家英雄p9
图片尺寸1728x1080