pd532引脚图

532_317
图片尺寸532x317
3.75mm 8*8 led红色高亮点阵模块 1588as 共阴 1588bs 共阳 方形
图片尺寸731x540
苹果pd快充20wpd快充协议芯片
图片尺寸1080x681
3 at high power pd interface controller with 2-event
图片尺寸982x610
ad532乘数ic及其引脚图
图片尺寸458x495
黄色网站介绍个能看的就是要快播下的也行
图片尺寸803x606
ba532功放电路图
图片尺寸682x215
sg3525的引脚 第1页
图片尺寸319x397
【ad5320】产品参数介绍,ad5320数据手册,中英文pdf资料下载-adi资料
图片尺寸900x457
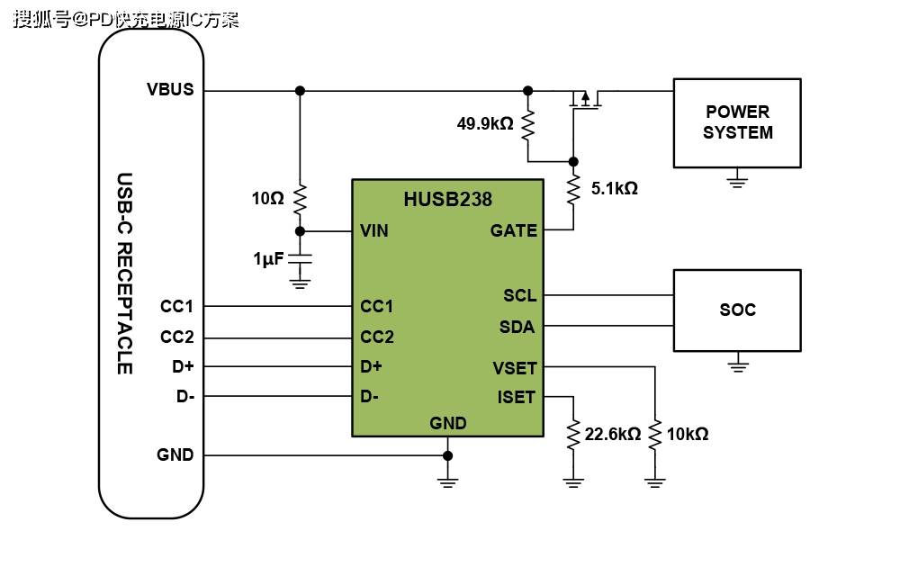
典型应用电路:husb238是一款高度集成的usb pd受电端芯片(pd sink,也
图片尺寸1000x630
一种实用的车载逆变器的设计
图片尺寸400x320
pdf
图片尺寸800x1133
fp35r12w2t4
图片尺寸740x959
驱动器和通信电路引脚及主要特性μpd6307glcd驱动器
图片尺寸1479x2886
8,xc6206-3.3,b6208,l9110,xl1410,xl1509,vs1738接收头_深圳市威信
图片尺寸672x716
平方根模式下的ad532模拟处理器电路
图片尺寸398x232
ba532组成btl应用电路图
图片尺寸392x230
tpa3255有直流输出
图片尺寸1953x1801
500_532
图片尺寸500x532
西门子6es7532-5hf00-0ab0
图片尺寸629x471