pd532a引脚图

主流usb pd type-c受电端,即设备端协议ic芯片(pd sink,也叫pd诱骗
图片尺寸1000x630
华邦获取kgd和其他选项- -40*c至 105*c工作温度范围- 8引脚wlcsp
图片尺寸653x503
3 at high power pd interface controller with 2-event
图片尺寸982x610
967_532
图片尺寸967x532
黄色网站介绍个能看的就是要快播下的也行
图片尺寸803x606
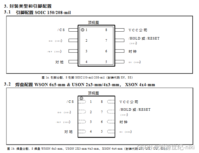
wson 6x5 mm╟8衬垫xson 4x4 mm╟8垫uson 2x3mm/4x3 mm╟8引脚soic
图片尺寸622x430
ad532乘数ic及其引脚图
图片尺寸458x495
【mc14053bdg pdf数据手册】_中文资料_引脚图及功能_(安森美 on
图片尺寸1000x1000
ba532功放电路图
图片尺寸682x215
苹果pd快充20wpd快充协议芯片
图片尺寸1080x681
db25引脚d型公头转de15引脚d型母头
图片尺寸400x229
sg3525的引脚 第1页
图片尺寸319x397
stm32f103c8t6高性能arm微控制器原装规格参数及引脚图_应用_接口
图片尺寸532x592
tpa3255有直流输出
图片尺寸1953x1801
单片机pd532asp83plm358组成的定时充电电路
图片尺寸1280x720
800_532
图片尺寸800x532
fp35r12w2t4
图片尺寸740x959
sg3525a是st公司生产的脉冲宽度调制器控制集成电路,具有集成基准电压
图片尺寸400x320
网>呼和浩特二手房>新城二手房>海东路二手房>东河御府(a区)>532_600
图片尺寸532x600
1013_532
图片尺寸1013x532