pilzpnozs3接线图

pilz安全继电器pnoz x3接线图
图片尺寸691x710
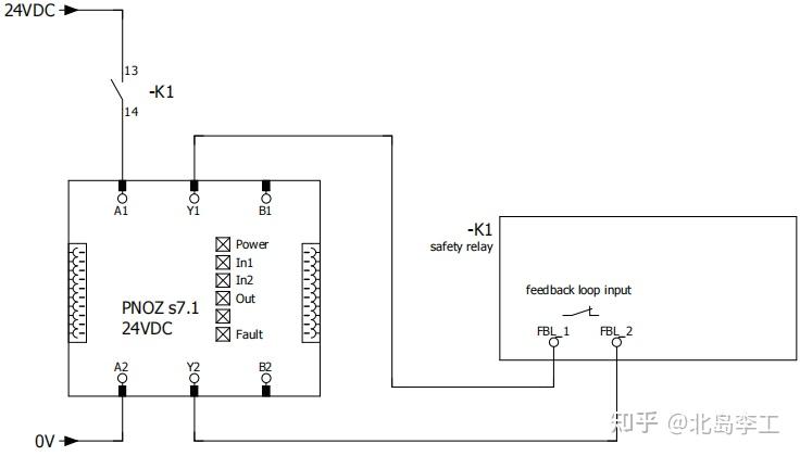
双通道安全回路的接线图下图所示:好了,关于pilz安全继电器pnoz s7/s
图片尺寸770x530
变送器 - 热门商品专区
图片尺寸683x409
皮尔兹pilz安全继电器如何接线使用
图片尺寸589x279
pnoz s2 24vdc-pilz皮尔兹750103-上海勇控自动化设备有限公司
图片尺寸682x349
pilz安全继电器扩展单元pnozs7s71s72的使用
图片尺寸748x516
德国pilz安全继电器接线图的使用方法及特点
图片尺寸682x313
保得威尔300dp系列jkmpcm3m输出模块接线
图片尺寸910x512
pilz继电器功能描述:pilz继电器pnozx_接线图分享
图片尺寸585x803
保得威尔ptw3300300dp系列模块接线图
图片尺寸910x512
am03接线-工业支持中心-西门子中国
图片尺寸741x1134
如何使用pilz的安全继电器pnozx27px28p
图片尺寸700x399
pilz皮尔兹 pnoz x2.7p 24vacdc 3n/o 1n/c 777305模块
图片尺寸767x506
三辊闸接线图
图片尺寸800x560
cpu 314c-2 pn/dp接线图_自动化知识堂_技成自动化培训网
图片尺寸1654x2339
中国沪工 漫反射 光电开关 e3f-ds10p1 直流三线pnp常开
图片尺寸750x475
pilz安全继电器扩展单元pnozs7s71s72的使用
图片尺寸736x420
最新pilz安全继电器pnoz端子及接线功能描述(中文)资料
图片尺寸1048x406
不一样的方式讲解三线制传感器的原理及接线
图片尺寸640x525
cr03三线一控电动微型球阀接线图
图片尺寸1801x2845