plc控制柜接线图讲解

第17页 (共23页,当前第17页) 你可能喜欢 控制柜接线图 plc控制柜 空
图片尺寸1080x810
上海新时达电梯控制柜plc变频器
图片尺寸1637x1448
软启动控制柜接线图
图片尺寸487x404
电梯plc控制柜接线电气图
图片尺寸600x538
电动弧形阀控制柜plc系统配置图
图片尺寸1507x2173
plc控制柜-电控柜-变频控制柜-挤出机控制柜-abb变频器
图片尺寸900x1299
控制柜端子接线图(1)
图片尺寸1184x836
plc接线图又称为plc的硬件接线图,就是将plc的输入,输出端与控制系统
图片尺寸500x316
消防泵控制柜接线图
图片尺寸1080x788
plc与变频器接线图(图解plc与变频器通讯接线)
图片尺寸1280x992
成都plc控制柜/电梯控制系统
图片尺寸930x576
plc在行车电气控制回路改造中的应用 附变频器接线图
图片尺寸450x355
plc控制柜的设计原理,电装布局,接线图和原理图
图片尺寸520x343
西门子32路doplc控制器接线图具体分解
图片尺寸600x486
柴油发电机组控制柜接线图.png
图片尺寸800x500
西门子控制柜的双电源切换原理图 down.plcjs.com 宽769x541高
图片尺寸769x541
无塔供水器接线
图片尺寸751x531
福绵:引线搭桥热销冬瓜_接线图分享
图片尺寸628x570
智能路灯节能控制柜-节能,稳压 系列-广州通控节能技术有限公司-智能
图片尺寸1206x929
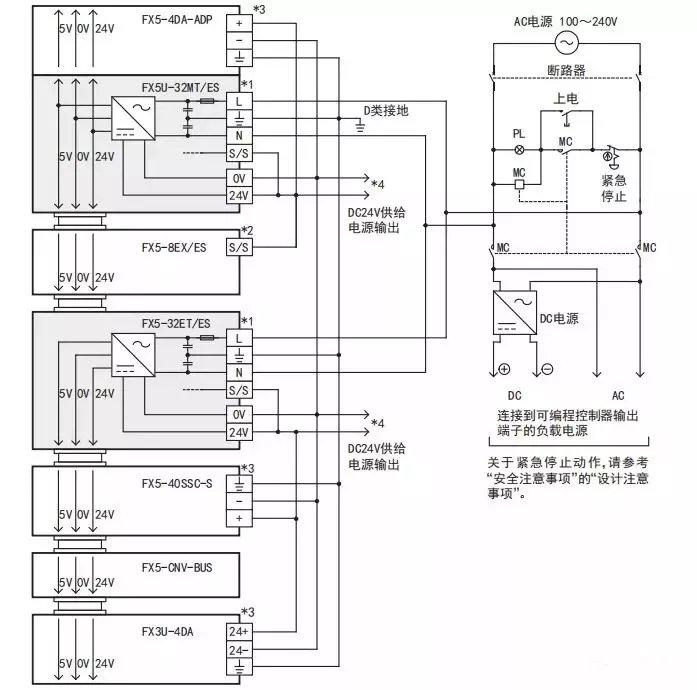
三菱fx5u plc模块硬件接线图
图片尺寸697x690