pt2264电路图

pt2264芯片遥控器电路原理图
图片尺寸1012x415
海信led液晶彩电2264电源板电路分析
图片尺寸1077x459
pt2262应用电路图大全pt2262编码电路汇总五款pt2262应用电路详解
图片尺寸549x290
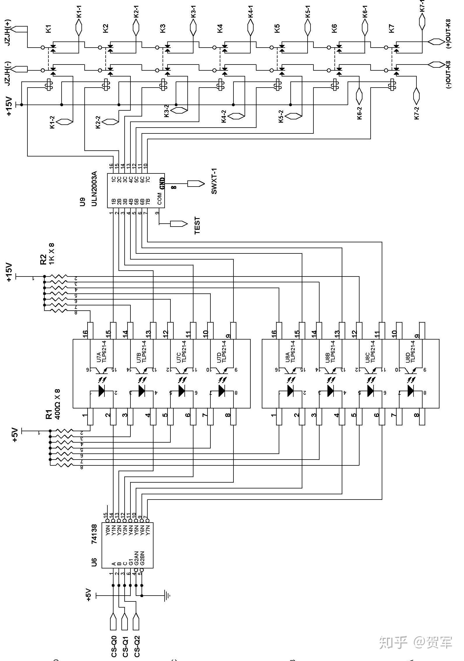
功能_电路
图片尺寸1848x924
pt2264-s 参数 datasheet pdf下载
图片尺寸850x1100
1590_2264竖版 竖屏
图片尺寸1590x2264
pt2262应用电路图大全pt2262编码电路汇总五款pt2262应用电路详解
图片尺寸572x454
图3 方波发生器电路通过ne555定时器对电压进行1000方波振荡,输入光电
图片尺寸304x297
pt2262/2272红外遥控集成电路
图片尺寸370x280
一种无线遥控开关制造技术
图片尺寸1000x484
pt保险阻值
图片尺寸1022x494
pt2262_2272无线电路编码集成电路图
图片尺寸714x208
pt2262应用电路图大全pt2262编码电路汇总五款pt2262应用电路详解
图片尺寸442x307
基于pt2262制作红外发射器电路
图片尺寸768x476
求pt2262/2272无线发送接收模块电路原理图,要用protel 99e画的,万分
图片尺寸875x641
【正品直销 ev1527 单价优惠】价格,厂家,图片,集成电路/ic,深圳市欣
图片尺寸700x708
pt2262红外遥控解码电路
图片尺寸430x333
采用pt2262与micrf102设计的无线电编码发射电路图
图片尺寸961x1302
图2 gprs 数据传输模块电路图
图片尺寸563x702
pt2262 2272引脚图与pdf手册 无线遥控芯片
图片尺寸618x375