rj45引脚定义

rj45 10-100m网口管脚定义.png
图片尺寸877x397
rj45接口100m和1000m网线制作方法
图片尺寸591x651
rj45接口网线水晶头接法图解,水晶头线序讲解
图片尺寸630x760
网线的rj45接口的针脚定义
图片尺寸800x600
rj45千兆接口定义千兆以太网1接收rgmii协议和iddr原语
图片尺寸1080x392
rj45接头(水晶头)的接口定义
图片尺寸771x405
网线的rj45接口的针脚定义
图片尺寸653x343
网线水晶头rj45接口定义
图片尺寸920x1302
rj45网口母座
图片尺寸666x335
水晶头rj45接头排线
图片尺寸920x1302
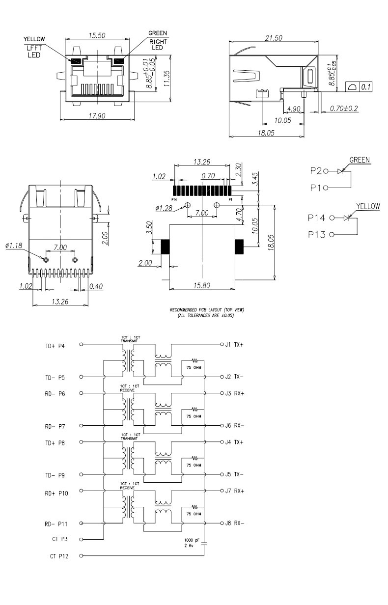
rj45网络接口smt带千兆变压器沉板式带塑脚带灯带弹贴片pin针安装
图片尺寸790x1232
rj45母座引脚定义图
图片尺寸503x430
rj45网线水晶头的针脚定义
图片尺寸457x556
带你了解rj45水晶头和rj11水晶头,它们有什么区别
图片尺寸641x484
rj45插座尺寸图带灯rj45插座接口定义及使用说明
图片尺寸382x447
rj45中文资料详解
图片尺寸608x299
rj45接口定义技术学习
图片尺寸920x1302
rj45母座接口引脚定义图解rj45以太网接口定义详情
图片尺寸534x347
接口类型rj45水晶头
图片尺寸721x524
rj45连接器8p8c网络接口rj45网络连接器网口rj45插座电子接插件
图片尺寸1357x1919