rotork电动执行器说明书

rotork电动执行器操作规程doc
图片尺寸800x1132
电动执行器说明书
图片尺寸1518x2103
laq600多回转电动执行器罗托克多部分回传球阀蝶阀开关调节电动头
图片尺寸1578x1920
dkz直行程电动执行器说明书
图片尺寸2064x2916
rotork电动执行机构操作维护保养规程
图片尺寸1222x1725
rotork罗托克智能型电动执行器英国原装进口有报关单非侵入式供货周期
图片尺寸478x484
罗托克电动执行器三种流行产品介绍
图片尺寸779x988
rotork 罗托克 电动执行器 iq40
图片尺寸637x850
rotork智能型电动执行器
图片尺寸1769x2503
rotork电动执行器技术规范
图片尺寸920x1303
罗托克执行器接线图(中文)
图片尺寸893x639
rotork智能型电动执行器
图片尺寸1653x2339![rotork iq/iqt系列智能型电动阀门说明书:[1]](https://imgs.wantubizhi.com/img/A1A61BAA66193547F3A6DD7D8EE527E92250DED369B81AF79ED4181CD483B9ED0665E4CA8A2D4637161A9A115E341FBD9D07AE3EBE099AD59EB0CE2A764953F2A1EF16C1A31B4EEC62B2D2E2597CA6B4D056487C3179110EA733C17874B059AF)
rotork iq/iqt系列智能型电动阀门说明书:[1]
图片尺寸904x1280
精选xp系列电动执行器说明书
图片尺寸920x1302
罗托克电动执行器
图片尺寸800x630
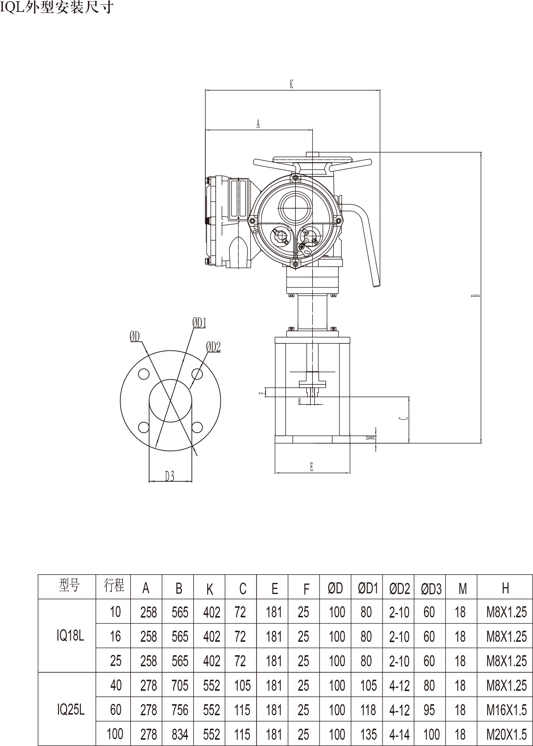
iql型罗托克电动执行器
图片尺寸1784x2498
rotork智能型电动执行器
图片尺寸595x842
rotork电动执行机构参数设置及操作方法
图片尺寸1517x2022
罗托克执行器接线图
图片尺寸1754x2479
dqw部分回转电动执行器说明书
图片尺寸1154x783