scp地图 图纸

地图大全
图片尺寸694x681
游戏的灵感来源于那些在小说,游戏和电影中登场的怪物们,例如《scp
图片尺寸1600x900
2.《scp:秘密实验室》这是一款免费的多人联机恐怖游戏.
图片尺寸1920x1080
中尼珠穆朗玛峰地图绘制的兴起和衰落1718年1988年
图片尺寸1080x613
业务控制点( scp)是智能网的核心.
图片尺寸220x213
她高度赞扬了scp在改善教育环境,提升教育资源方面的努力和贡献,并
图片尺寸550x366
除此之外,营养美学新品胶原蛋白弹性蛋白固体饮料中还富含scp胶原蛋白
图片尺寸429x762
scp21号基地:我的世界超强scp模组地图,序章这只是开始
图片尺寸1920x1080
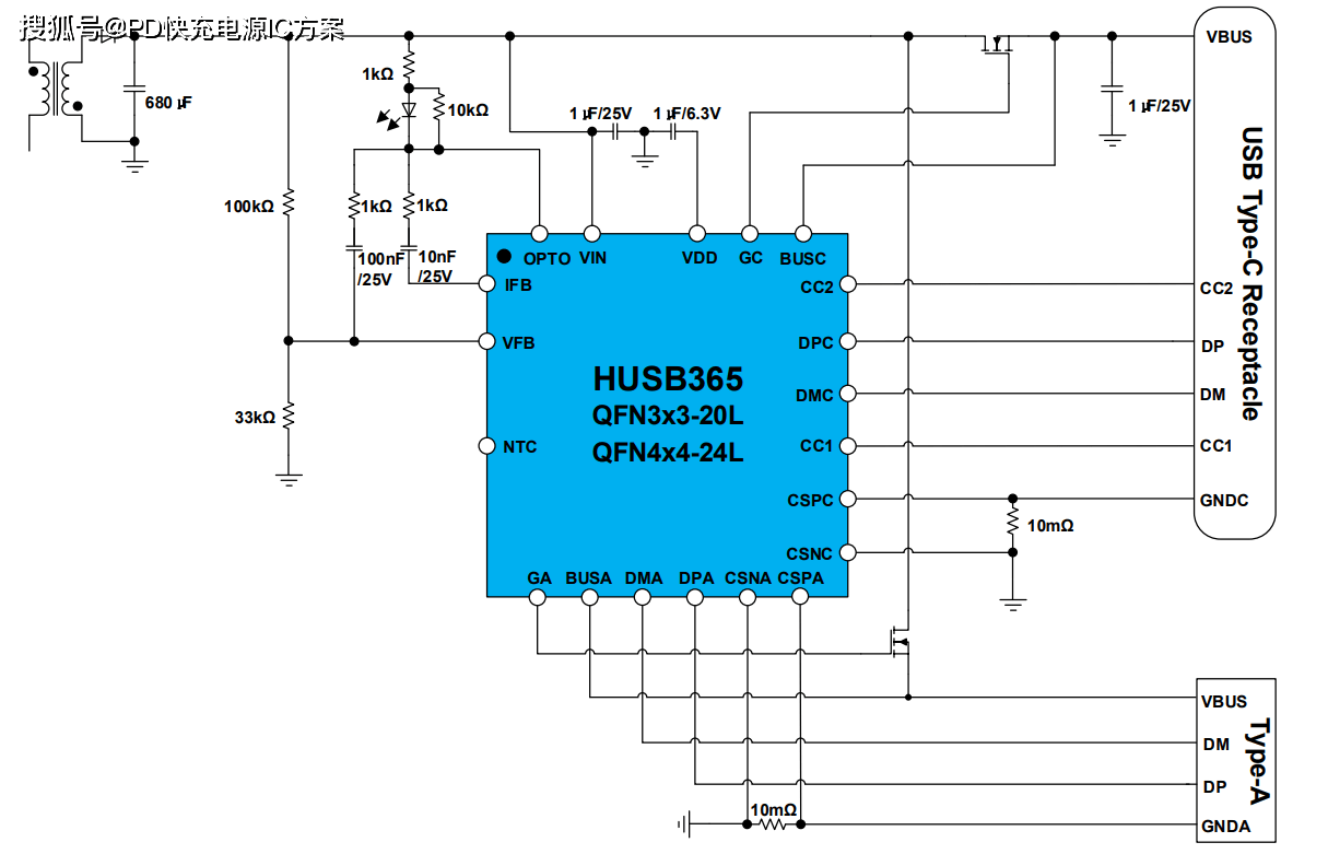
husb365:usb pd18w 20w-65w a c,usb-c和usb
图片尺寸1215x781
疫情期间,很多用户出门购物,用餐的时候,都会更多留意谷歌地图上目的
图片尺寸480x278
天工所团队以甲醇为底物经济生产单细胞蛋白,已在企业
图片尺寸1080x612
经典款胶原蛋白弹性蛋白固体饮料,就特别添加了一种scp超级胶原蛋白肽
图片尺寸521x925
scp插件导入landsat数据文件后,需要根据待分析的城市行政区范围地图
图片尺寸388x280
地址(位置,怎么去,怎么走): 杭州市西湖区古墩路588号scpg印象城购物
图片尺寸1224x1632
四川大决策投顾:车路协同落地是智能驾驶产业化的关键
图片尺寸554x277
印度抱怨中国谈判却连地图都不给纯属做梦是机密岂能送人
图片尺寸1687x1125
天津体育学院-运动训练综合实验室_天津_百度地图
图片尺寸720x1280
剑网3重制版阵营攻防地图精美原画曝光
图片尺寸660x349
天津城投集团成功发行10亿元超短期融资券票面利率166
图片尺寸714x676
地址(位置,怎么去,怎么走): 杭州市西湖区古墩路588号scpg印象城购物
图片尺寸1296x776