sic9554a芯片LeD电路图

一种线性恒流的led驱动电路设计
图片尺寸661x277
c9522wled双头应急灯电路原理图word版
图片尺寸920x1302
单片机系统与led的电路连接图
图片尺寸311x221
led驱动电路原理图
图片尺寸1192x788
sic9553a pdf文件_sic9553a供应商_pdf文件在线浏览页面【1/9】-天天
图片尺寸978x1504
无忧文档 所有分类 工程科技 电子/电路 led显示屏控制卡原理图
图片尺寸3521x2521
基于单片机的led显示屏控制系统的设计(附程序代码,总电路图)
图片尺寸1347x819
768xfj控制ic和rohm生产的1700v耐压sic-mosfet的辅助电源的主要电路
图片尺寸1386x545
led显示屏单元板电路图档
图片尺寸1419x929
led驱动icsic9553500v1a918wsop8dip8深爱半导体si
图片尺寸676x476
led日光灯电路板原理图
图片尺寸925x531
sic9556a数据表pdf1pageshenzhensisemiconductorscoltd
图片尺寸892x1261
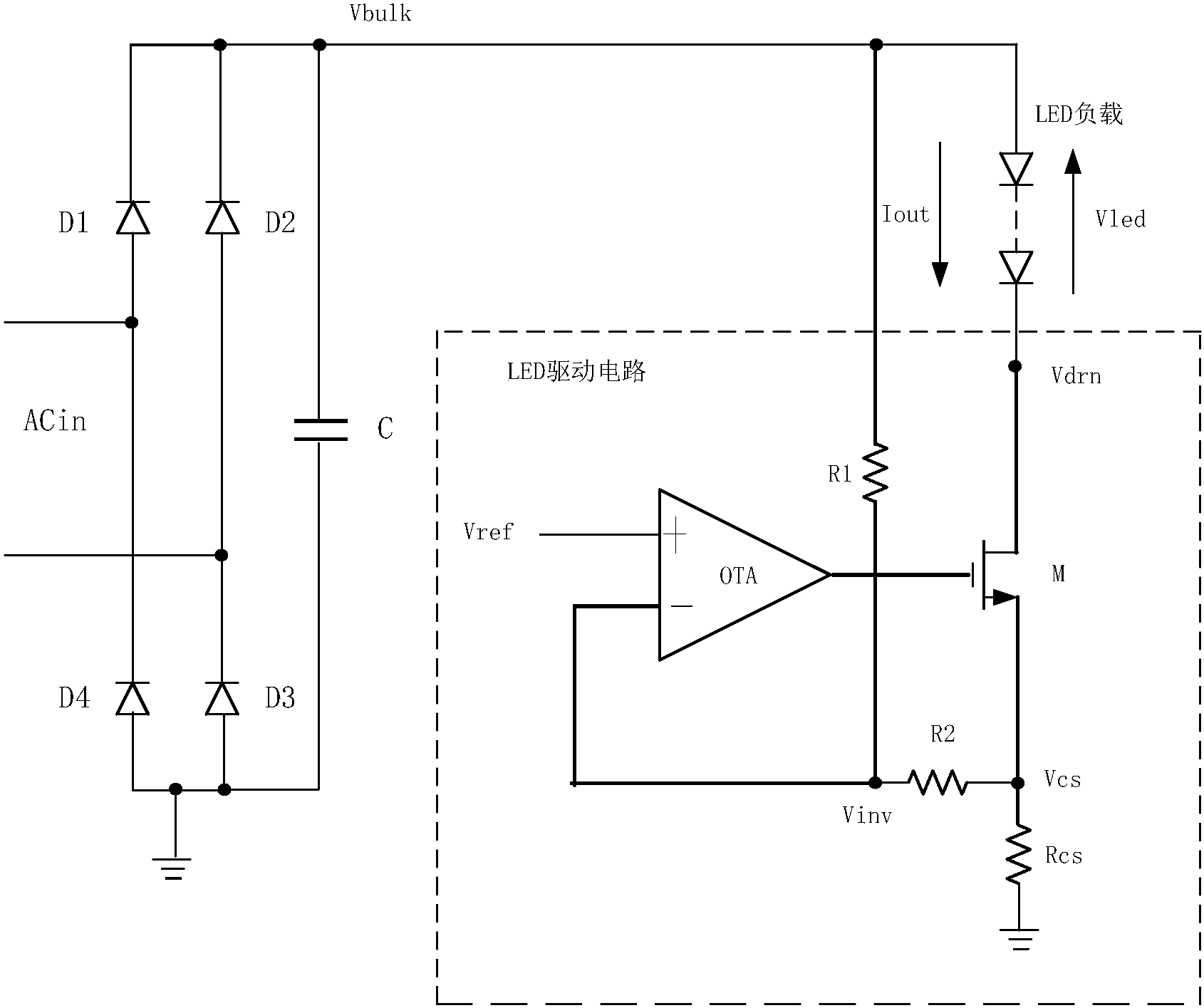
恒输入功率线性led驱动电路
图片尺寸1690x1415
常见led驱动电源电路设计大全(十款电路设计原理图详解)
图片尺寸505x269
led恒流驱动电路
图片尺寸542x522
led多位数码管显示电路硬件图
图片尺寸803x563
led驱动电源电路图
图片尺寸874x331
led 驱动电源电路图
图片尺寸965x501
sic9554a datasheet
图片尺寸1240x1754
控制电路及其led驱动电路的制作方法
图片尺寸1000x767