simulink仿真

图4液力变矩器控制系统simulink仿真模型
图片尺寸553x331
搭建matlab/simulink仿真模型验证多vsg控制回路间交互影响定量分析的
图片尺寸733x681
建立变频电机的matlab/simulink仿真模型,交流调速控制方式采用直接
图片尺寸971x468
matlabsimulink系统建模与仿真控制系统设计实例
图片尺寸304x313
matlabsimulink系统建模与仿真通信系统性能仿真分析实例
图片尺寸409x172
之间)波形:相电压(火线与零线之间)仿真:以下是用simulink仿真的结果
图片尺寸628x437
使用仿真设计电力电子数字控制器
图片尺寸558x281
matlabsimulink系统建模与仿真控制系统设计实例
图片尺寸419x346
使用simulink加速电力电子控制的设计开发
图片尺寸558x358
本实验将使用simulink仿真环境进行验证,并与传统充电方法进行比较.
图片尺寸850x433
simulink小技巧四使用gui实时改变仿真环境
图片尺寸558x340
mtu396柴油发电机组simulink仿真模型见图1; mtu396柴油发电机组转速
图片尺寸690x453
用matlab撸的几个扬声器开发程序
图片尺寸1677x768
使用simulink加速电力电子控制的设计开发
图片尺寸558x365
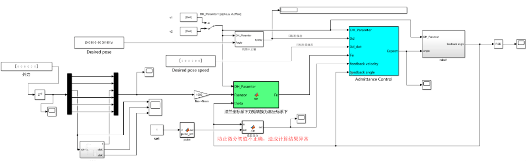
图 | 六轴协作机器人simulink仿真图智能铺瓷砖机器人从瓷砖盒里拿
图片尺寸1080x331
matlabsimulink系统建模与仿真通信系统性能仿真分析实例
图片尺寸409x176
simulink仿真教程视频-建模与仿真的流程-教育视频-搜狐视频
图片尺寸1280x658
仿真-快速控制原型(rcp)支持matlab/simulink模型支持psim模型之前的
图片尺寸640x498
燃料电池汽车介绍及建模仿真分析
图片尺寸1039x578
(5) matlab仿真工具包simulink
图片尺寸640x387