simulink框图

求一个 基于matlab双闭环直流调速系统的 simulink的建模图
图片尺寸1098x384
关于simulink的一个问题,请问下面的这个框图是表示左上角状态模块
图片尺寸1035x590
船舶电力系统的simulink仿真模型这个模块总是这样报错是什么意思?
图片尺寸625x345
无刷直流电机双闭环控制系统simulink框图
图片尺寸580x330
p>simulink是 a target="_blank" href="/item/美国/125486" data
图片尺寸943x535
pid 控制的simulink 仿真框图
图片尺寸640x310
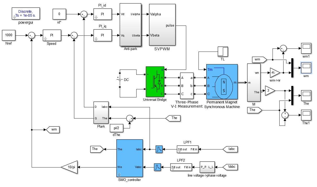
simulink内置永磁同步电机滑模控制器滑模观测器研究基于永磁同步电机
图片尺寸1212x718
用simulink画系统框图,出现红色虚线怎么解决?
图片尺寸542x216
matlab simulink模糊pid在无刷直流电机中有哪些应用?
图片尺寸630x491
simulink软件仿真平台之驾驶员模型
图片尺寸1152x448
pwm脉冲调制直流电机的simulink仿真
图片尺寸1843x757
数学模型的simulink实现子系统s函数ppt
图片尺寸920x690
2fsk的调制与解调基于simulink
图片尺寸2089x1161
matlabsimulink中fdatool设计离散滤波器
图片尺寸870x354
使用matlabsimulink设计无人机飞行控制系统二动力学模型建立
图片尺寸1080x490
simulink仿真框图为什么有一些背景是蓝色或者橙色的?
图片尺寸1028x337
matlabsimulink笔记06利用simulink求解微分方程simulink框图与控制
图片尺寸1116x565
simulink小车模型
图片尺寸928x476
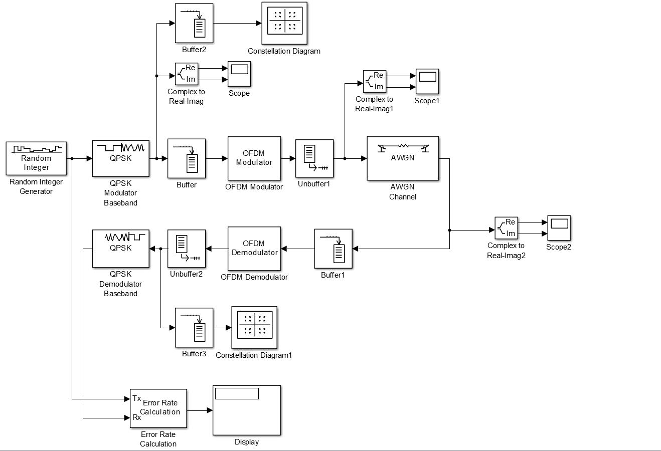
基于simulink的ofdm程序
图片尺寸1318x900
微电网逆变器pq控制simulink模型搭建详解
图片尺寸1402x653