solidworks画钣金箱体

【solidworks建模】-箱壳类零件图建模-箱体-19
图片尺寸1728x1080
钣金文具柜solidworks2016原创918180lurui2022-01-15工具箱套装建模
图片尺寸285x320
【solidworks建模】-箱壳类零件图建模-箱体-41
图片尺寸1728x1080
solidworks 钣金箱体建模
图片尺寸864x486
solidworks工具箱图纸下载_solidworks免费图纸,设计模型大全 - 沐风
图片尺寸285x191
solidworks钣金拆图-钣金外罩拆分并展开
图片尺寸1728x1080
id: 1062279图纸格式:sldprt,stp图纸版本:solidworks2016文件大小:0
图片尺寸820x629
solidworks钣金实例-钣金箱体
图片尺寸560x315
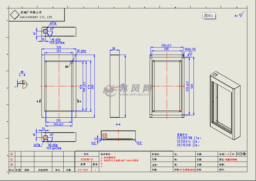
电脑机箱钣金3d图纸solidworks模型设计参考资料【107】
图片尺寸331x423
钣金电气箱体模型
图片尺寸699x547
znzkjp-bt00箱体总装3d模型下载_三维模型_solidworks,parasolid(.
图片尺寸472x554
工程机械电气启动箱钣金结构3d图纸solidworks设计
图片尺寸872x724
solidworks钣金练习电源箱闭合角填充阵列通风口
图片尺寸1080x607
用solidworks画一个钣金箱子图形虽然简单但用到了多个工具
图片尺寸852x771
小型箱体钣金件下载_solidworks模型_solidworks2017三维模型 - 机械5
图片尺寸802x591
用solidworks画一个钣金箱底座耗时11分钟完成
图片尺寸1080x607
参数图纸id: 1003297图纸格式:stp图纸版本:solidworks2016文件大小
图片尺寸820x494
用solidworks画一个钣金箱子
图片尺寸1080x585
工程机械dzx270配电柜配电箱钣金结构3d图纸solidworks设计
图片尺寸829x718
solidworks模型输出工程图
图片尺寸820x580