sot23-5电路图

8yn5g sgm2019 芯片 sot23-5 丝印 yj18
图片尺寸475x277
单节磷酸铁锂电池充电芯片——sot23-5系列
图片尺寸266x204
泉芯代理qx7137 led线性降压可调输出外置mos恒流驱动ic sot23-5
图片尺寸1178x419
23-3to252sot-223我们在开发板板上常见的ldo型号有ams11117,电路如下
图片尺寸624x400
fs2009a升压ic具备1ua的工作电流具备真关断技术sot235
图片尺寸738x279
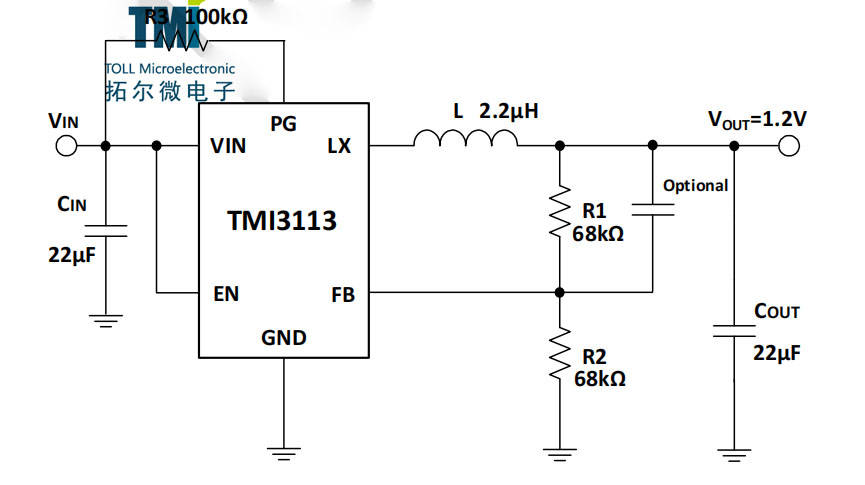
手机和智能手机产品应用:73 tmi3113b 采用 sot23-5 封装73 tmi
图片尺寸865x485
42v65b849锂离子电池线性充电管理芯片sot235个原装tp4065
图片尺寸800x800
gs3661输入5v升压9v2a外置mossot235封装升压芯片
图片尺寸620x383
sot23-6单键触摸芯片ifa027b(新款)
图片尺寸652x328
钰泰eta代理eta5040sot235和dfn16166一站式配单
图片尺寸1984x972
cm1901an与一元硬币实观对比,整体非常精致小巧,采用sot23-5封装,适用
图片尺寸576x540
简易延时ic 延时芯片 sot23-6封装
图片尺寸534x372
lmv7219 接线图 sc70-5/sot23-5 10105402 顶视图 订购信息 包 5引脚
图片尺寸850x1100
5a,封装sot23-5,电感采用1uh-10uh.
图片尺寸693x336
42v65b849锂离子电池线性充电管理芯片sot235个原装tp4065
图片尺寸800x800
sop-8/msop-8/sot23-8 69aws790x2主要应用传感器信号调节白电hvac
图片尺寸909x654
m3406-adj 2v-6v输入 1.5mhz 1a同步降压转换器-csdn博客
图片尺寸665x476
解调器61手机和智能手机应用61可在sot23-5封装61低静态电流:40
图片尺寸498x210
现货供应单片机 sop8/sop14/sot23-6 原装集成电路芯片ic-阿里巴巴
图片尺寸360x360
tp6062的封装形式,采用sot23-5进行封装.
图片尺寸1148x869