sstc

em>sstc /em>
图片尺寸596x583
太空中心 sstc
图片尺寸420x420
【高博留学】新加坡16年本地留学机构,一站式留学服
图片尺寸800x450
新加坡sstc学院
图片尺寸900x600
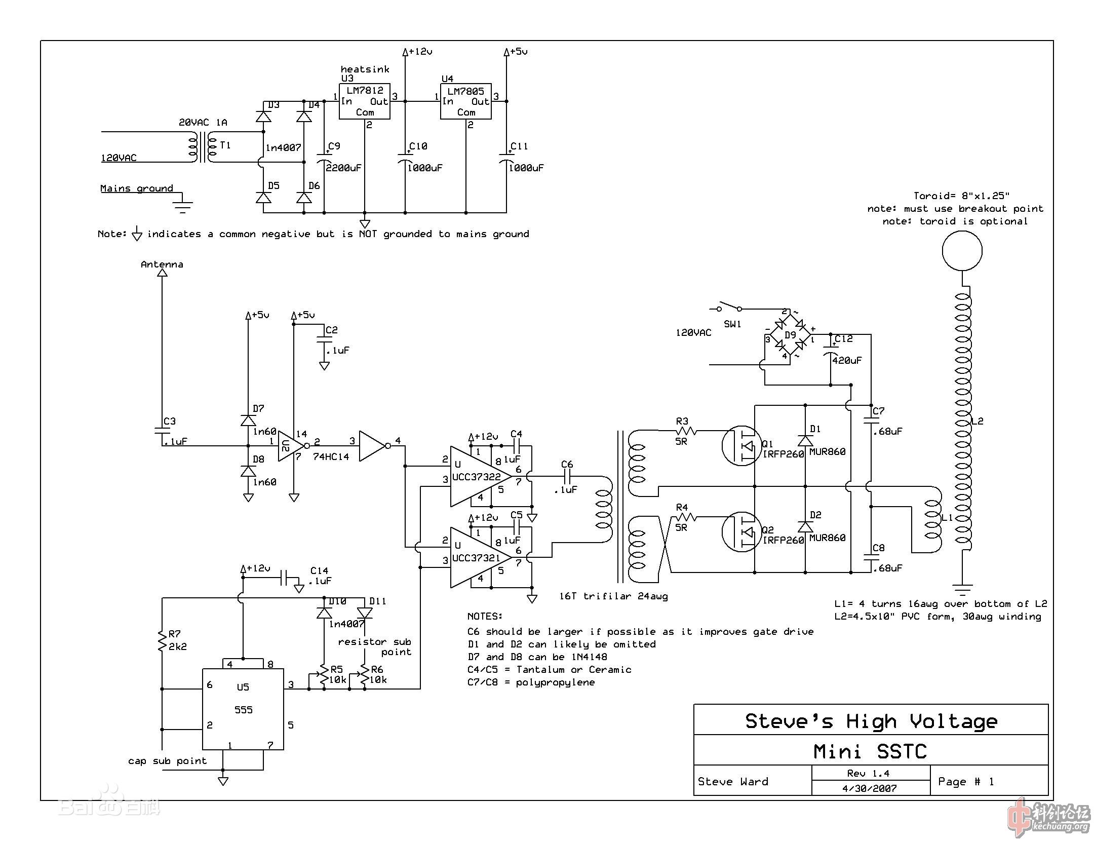
现有各种sstc电路图欢迎补充研究开发
图片尺寸1706x1151
文档下载 所有分类 > sstc固态特斯拉线圈电路图(1)
图片尺寸958x541
现有各种sstc电路图欢迎补充研究开发
图片尺寸1418x606
英国伦敦商业金融学院新加坡校区(lsbf)与新加坡sstc学院哪个好?
图片尺寸3264x2448
新加坡管理大学mitb人工智能时代金融从业者的新选择
图片尺寸544x362
专科生留学新加坡sstc学院的学生,申请的课程只
图片尺寸600x337
迷你的特斯拉线圈
图片尺寸600x403
现有各种sstc电路图欢迎补充研究开发
图片尺寸2160x1660
关于启用东北大学悉尼智能科技学院院徽的通知
图片尺寸1498x2224
现有各种sstc电路图欢迎补充研究开发
图片尺寸1383x1063
现有各种sstc电路图欢迎补充研究开发
图片尺寸2160x1660
新加坡留学
图片尺寸128x96
sstcenglishclub正式启动
图片尺寸900x383
现有各种sstc电路图欢迎补充研究开发
图片尺寸2160x1660
【原创diy第2集】(全桥特斯拉线圈sstc,磁暴线圈)
图片尺寸490x327
现有各种sstc电路图欢迎补充研究开发
图片尺寸2160x1660