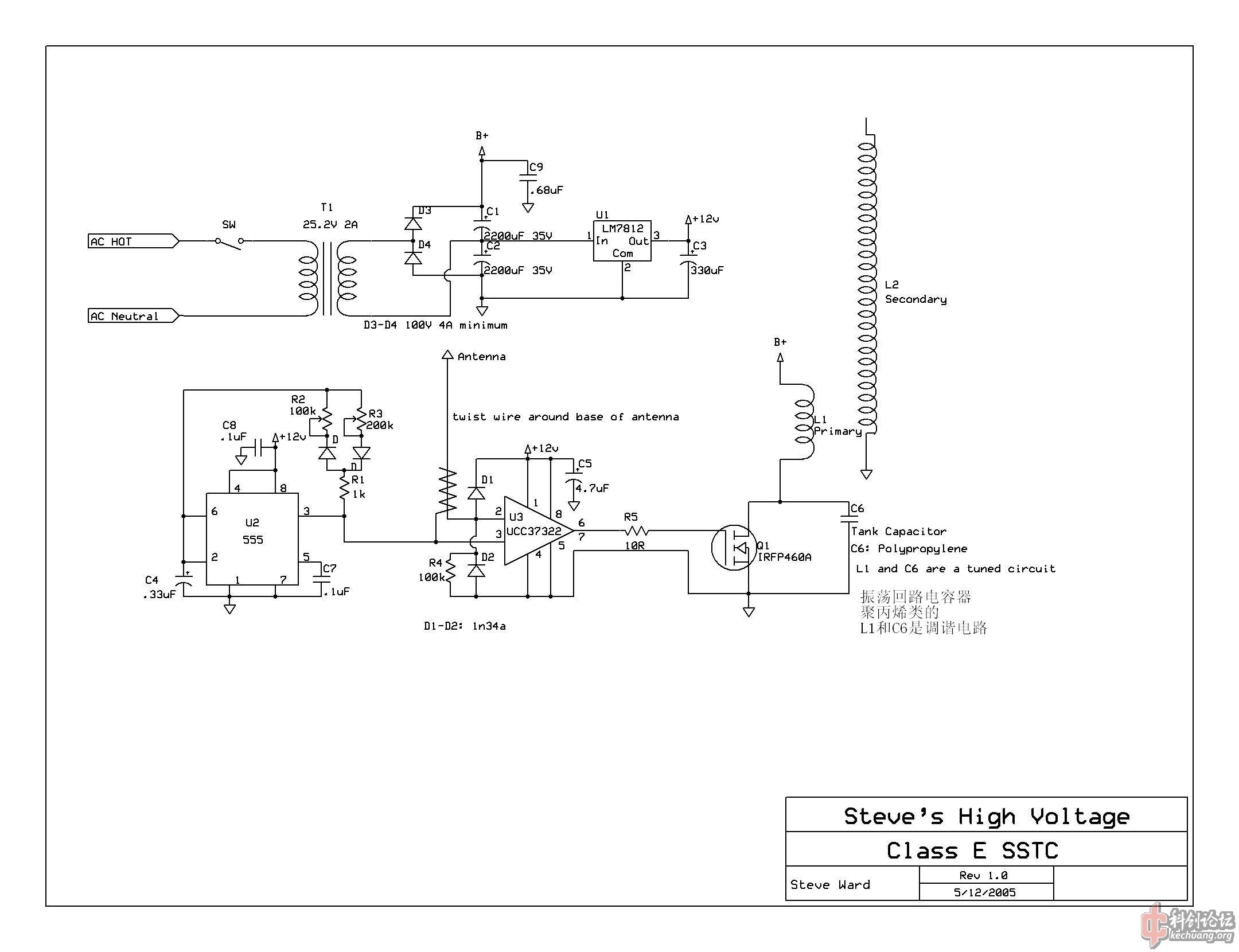
sstc电路图

现有各种sstc电路图欢迎补充研究开发
图片尺寸2160x1660
drsstc-.5sch.jpg
图片尺寸2160x1660
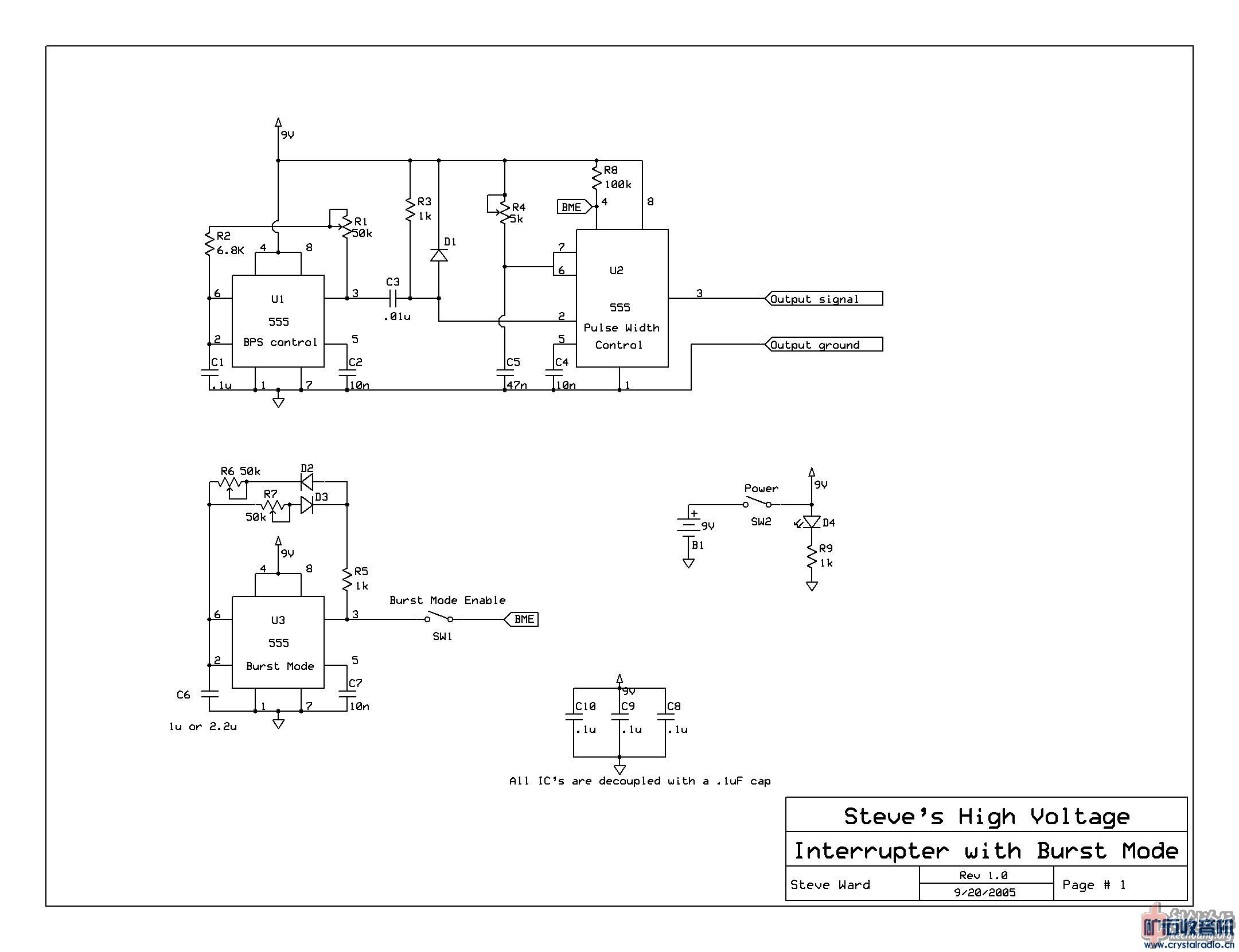
现有各种sstc电路图欢迎补充研究开发
图片尺寸1418x606
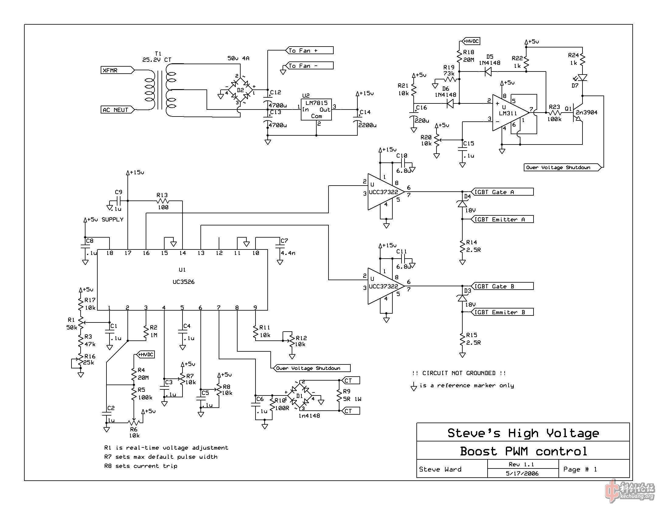
现有各种sstc电路图欢迎补充研究开发
图片尺寸1706x1151
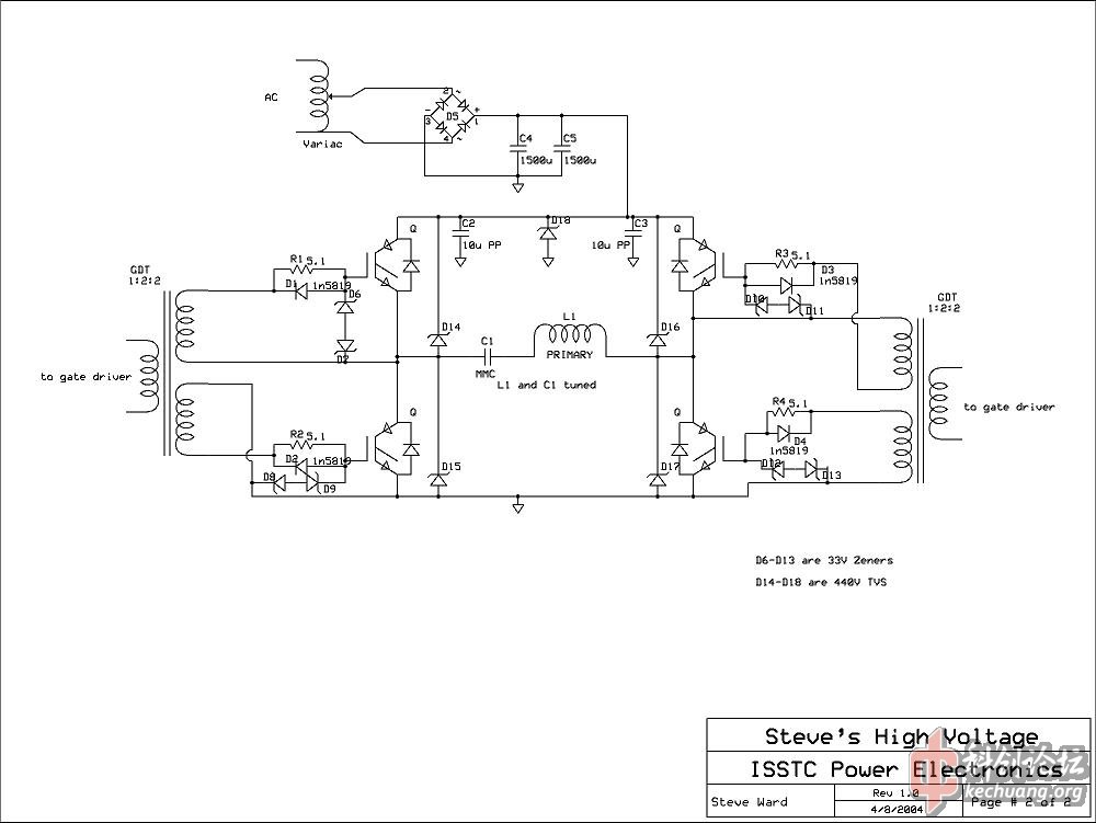
现有各种sstc电路图欢迎补充研究开发
图片尺寸1117x693
sstc固态特斯拉线圈电路图(1)
图片尺寸958x541
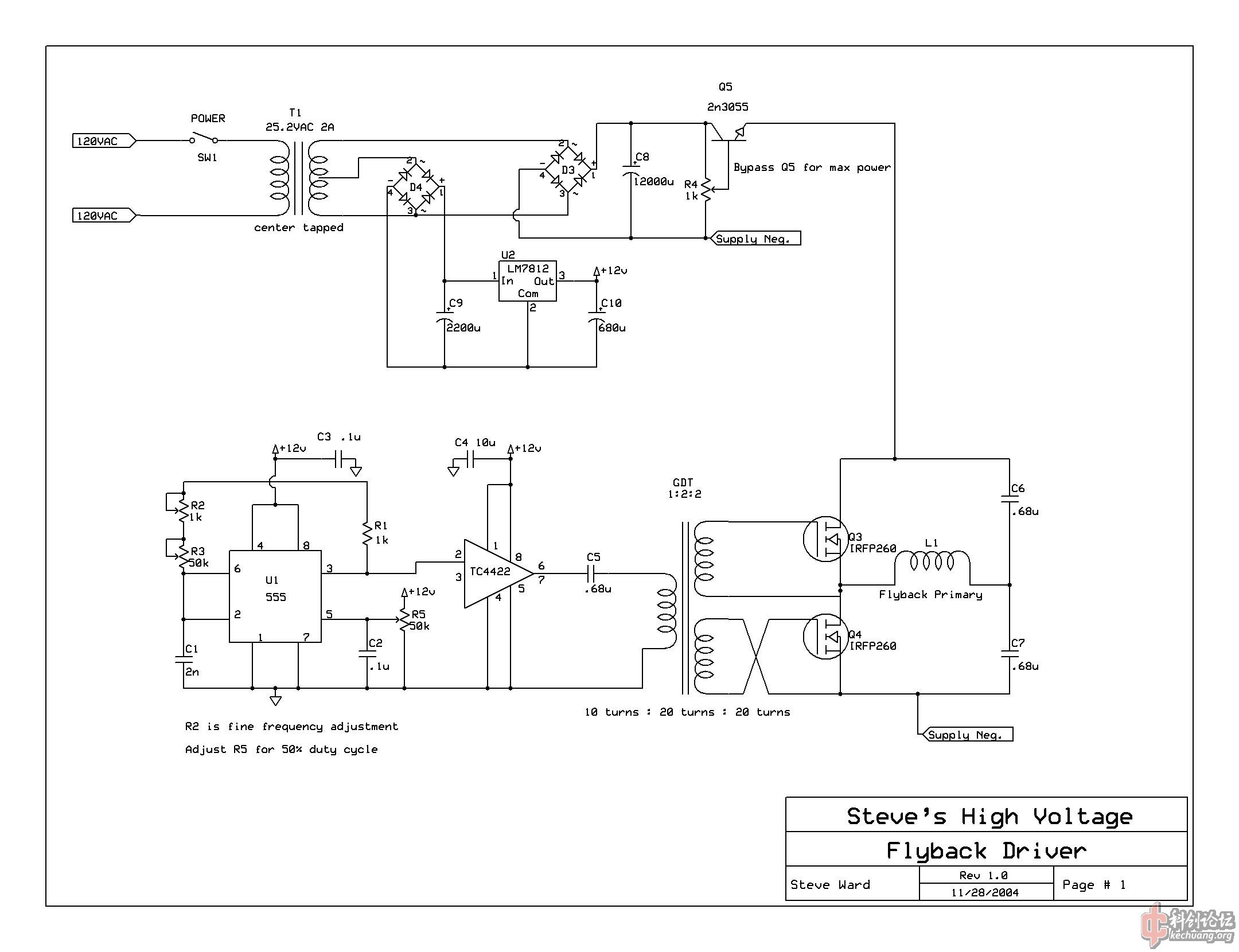
现有各种sstc电路图欢迎补充研究开发
图片尺寸2160x1660
现有各种sstc电路图欢迎补充研究开发
图片尺寸1000x751
现有各种sstc电路图欢迎补充研究开发
图片尺寸1351x825
现有各种sstc电路图欢迎补充研究开发
图片尺寸2160x1660
这个三极管有什么用?_?
图片尺寸559x291
这电路,其实并非新鲜事物,节能灯及卤素电珠的自激型驱动,就经常用到
图片尺寸495x275
现有各种sstc电路图欢迎补充研究开发
图片尺寸2160x1660
【原创diy第2集】(全桥特斯拉线圈sstc,磁暴线圈)
图片尺寸1280x960
手把手教你做sstc教程
图片尺寸576x483
现有各种sstc电路图欢迎补充研究开发
图片尺寸2160x1660
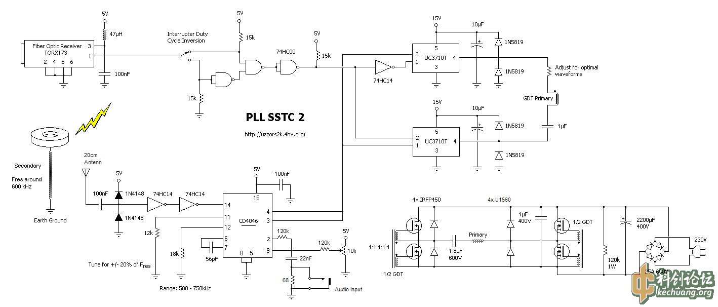
丰富多彩的迷你特斯拉线圈的频率锁定电路
图片尺寸1472x920
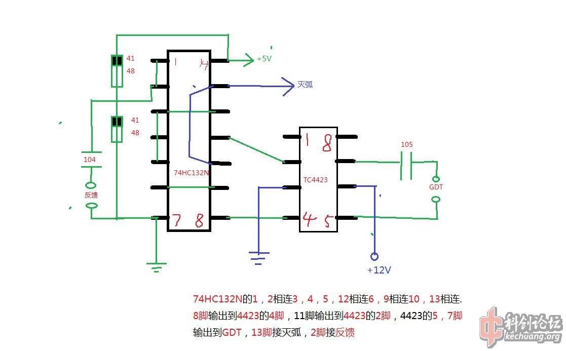
门的集成电路对于小白来说还是有很多东西看不懂比如那个三角形的符号
图片尺寸576x392
现有各种sstc电路图欢迎补充研究开发
图片尺寸2160x1660
现有各种sstc电路图欢迎补充研究开发
图片尺寸1383x1063