stk4142接线图

stk4152ii电路图
图片尺寸642x483
stk4142ii音响ic电路图
图片尺寸640x480
北大青鸟4142输入输出模块 - 消防百事通
图片尺寸3264x1632
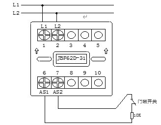
图3接线示意图
图片尺寸328x255
模块有源输出接线方法jbf4142输入输出模块有源输出接线方法jbf514
图片尺寸972x649
能提供一下北大青鸟的各个设备的接法吗?
图片尺寸475x451
北大青鸟消防jbf4142控制模块接线
图片尺寸910x512
jbf4142输入/输出模块动作断开24v(有源有检测)接线图
图片尺寸644x738
消防火灾自动报警系统常用产品接线图
图片尺寸1052x542
③线路对地阻值未达到要求,或主机和模块接线接触不良.
图片尺寸924x537
stk4122ii音响ic电路图
图片尺寸640x480
求带stk4172厚膜的索尼拆机功放板接线方式
图片尺寸696x464
北大青鸟产品接线图
图片尺寸640x457
北大青鸟消防jbf4142控制模块接线
图片尺寸910x512
stk4141 ii 功率放大器电路图
图片尺寸640x480
北大青鸟消防jbf4142控制模块接线
图片尺寸910x512
jbf4142输入输出模块无源输出接线图
图片尺寸597x418
stk4172Ⅱ音频功放ic电路图
图片尺寸640x480
stk4102-2功放电路
图片尺寸640x480
北大青鸟jbf4141jbf4142控制模块安装接线图
图片尺寸534x417