stm32最小系统原理图

通信工程毕设stm32的wifi照明控制系统智能路灯源码硬件论文
图片尺寸853x597
单片机嵌入式小白教程硬件四stm32单片机最小系统
图片尺寸837x559
单片机最小系统 dsp最小系统 嵌入式最小系统 焊接最小系统 stm32最小
图片尺寸681x544
最小系统板原理图
图片尺寸3567x2355
designer绘制stm32最小系统的电路原理图并完成stm32 sd卡 的系统原理
图片尺寸1015x688
altiumdesigner绘制stm32最小系统原理图
图片尺寸1299x841
单片机最小系统包括什么电路单片机最小系统的作用是什么
图片尺寸821x545
使用立创eda专业版逐步绘制stm32最小系统板原理图
图片尺寸2560x1600
小兴教你做平衡小车stm32最小系统设计含ch340n版本
图片尺寸977x677
1 电源设计与stm32不同,at89c52不仅可以3.
图片尺寸887x871
stm32最小系统原理图
图片尺寸959x678
altiumdesigner软件绘制stm32最小系统电路原理图
图片尺寸1173x779
stm32简介系统结构引脚定义
图片尺寸1620x891
iic通信原理stm32stm32最小系统及电路基本原理
图片尺寸1440x876
51单片机最小系统电路设计_单片机_05
图片尺寸1016x696
毕设分享stm32的人体健康状态检测系统项目开源
图片尺寸503x356
手中使用的是小马哥研制的stm32最小系统和dap link下载
图片尺寸1546x1342
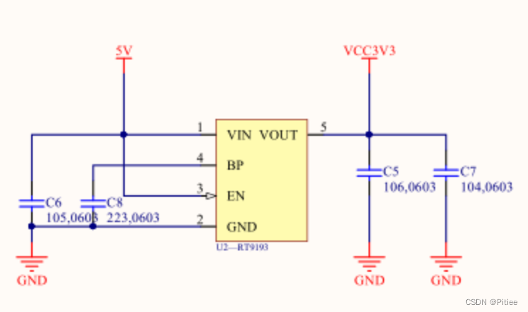
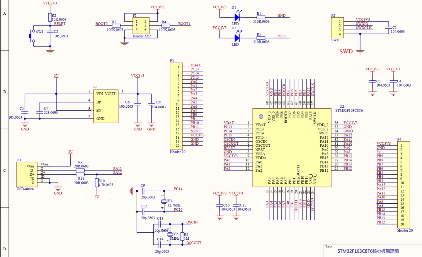
stm32f103c8t6最小系统原理图
图片尺寸1382x835
单片机嵌入式小白教程硬件四stm32单片机最小系统
图片尺寸745x441
stm32最小系统电路原理图如下图所示,其包含电源电路,时钟电路及复位
图片尺寸1021x720