stm32最小系统电路图

最小系统电路图
图片尺寸800x1132
展开全部 这就是一个单片机最小系统的原理图,包括时钟电路,复
图片尺寸566x491
最小系统电路图doc2页
图片尺寸792x1120
单片机最小系统电路图
图片尺寸613x526
数字电路硬件设计系列(五)之at89c51/c52最小系统设计_at89c52最小
图片尺寸887x871
最小系统板原理图
图片尺寸3567x2355
最小系统电路图
图片尺寸1081x753
测试stm32f373单片机
图片尺寸1369x1065
基于单片机体温心率脉搏检测仪系统设计-csdn博客
图片尺寸681x442
最小的单片机系统电路图
图片尺寸920x1302
单片机最小系统包括什么电路单片机最小系统的作用是什么
图片尺寸821x545
stm32最小系统原理图
图片尺寸959x678
6.stm32最小系统电路
图片尺寸1620x891
绘制stm32最小系统pcb图
图片尺寸1196x793
用altium designer绘制stm32最小系统的电路原理图并完成stm32 sd卡
图片尺寸1015x688
基于stm32f103c8t6最小系统板对标某淘
图片尺寸683x456
手中使用的是小马哥研制的stm32最小系统和dap link下载
图片尺寸1546x1342
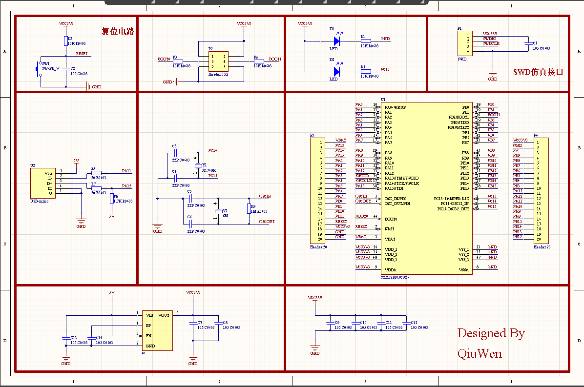
1 stm32最小系统电路
图片尺寸1021x720
stm32f103zet6最小系统板制作指引
图片尺寸1281x847
使用立创eda专业版逐步绘制stm32最小系统板原理图
图片尺寸2560x1600