stm32结构图

c语言单片机编程20:stm32单片机的系统架构
图片尺寸721x551
整理了一下stm32相关的底层结构,有助于消化理解 先上几张图片(主要
图片尺寸952x602![[stm32] using mcu dac to generate noise group](https://imgs.wantubizhi.com/img/A1A61BAA66193547F3A6DD7D8EE527E91F6ADECF91107AED56C8CB5E74DD28EC27DC2E88FCD2CC20A01888DA898C6C327B896E729D29B98FC951D0BF65B98D10E71C7843038C0CC30ACF36601B1F48FA9CCF608AECC66F6E7B9698D8336F1DAB)
[stm32] using mcu dac to generate noise group
图片尺寸874x749
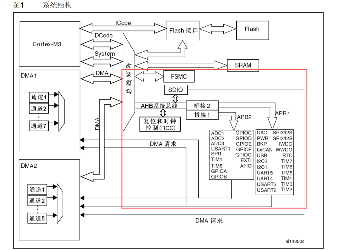
这是stm32的系统结构图,只需要看一下红线框出来的地方即可基地址以及
图片尺寸1158x826
stm32学习笔记11spi通信
图片尺寸1292x1446
通信工程毕设stm32的wifi照明控制系统智能路灯源码硬件论文
图片尺寸853x597
stm32技术打造智能考勤打卡系统刷卡式上下班签到自动化解决方案
图片尺寸752x490
stm32单片机的架构
图片尺寸330x242
stm3210x内部结构
图片尺寸794x561
stm32学习笔记11spi通信
图片尺寸1357x1057
stm3217spi结构体配置
图片尺寸1471x1070
stm32入门学习笔记之rtc实验上
图片尺寸657x543
01stm32系列单片机的基本结构
图片尺寸395x275
长文stm32单片机学习笔记收藏了
图片尺寸835x572
stm3217spi结构体配置
图片尺寸1296x656
360度全方位无死角深度刨析stm32结构初学者建议收藏
图片尺寸640x503
文章 其他 stm32架构相关 整理了一下stm32相关的底层结构,有助于消化
图片尺寸798x565
毕业设计基于stm32单片机的智能家居系统设计
图片尺寸735x571
stm32f103zet6
图片尺寸832x920
stm32f10x标准外设库体系结构图
图片尺寸780x500