stm32f407zgt6原理图

基于stm32f407zgt6最小系统设计
图片尺寸1217x804
stm32f407zgt6最小系统
图片尺寸959x678
stm32f407zgt6开发板的电路原理图免费下载
图片尺寸1109x679
正点原子stm32f407zgt6探索者的串口配置
图片尺寸660x355
stm32f407最小系统资料包括原理图和pcb可直接打板
图片尺寸1277x850
stm32f103zet6核心板电路图彩色
图片尺寸920x648
stm32f407zgt6主控模块外接lcd模块,电源模块,3g模块,cc2650模块等
图片尺寸900x801
stm32f407zet6最小系统板
图片尺寸1388x573
发一个自己修改过的stm32f103c8t6最小系统板pcb
图片尺寸1290x833
stm32f103c8t6最小系统板内涵原理框图原理图库封装库调试程序
图片尺寸1135x696
stm32f407zgt6mini核心板电路原理图与封装库下载
图片尺寸854x603
stm32开拓者ministm32rbt6开发板原理图
图片尺寸3173x2245
pdf##本文是基于stm32f407zgt6单片机做出介绍stm32系列单片机是stc
图片尺寸1224x857
单片机原理图
图片尺寸1246x824
晶振电路boot引脚stm32有两个boot引脚,分别是boot0和boot1,这两个
图片尺寸757x422
stm32f405rgt6最小系统原理图ad格式
图片尺寸962x549
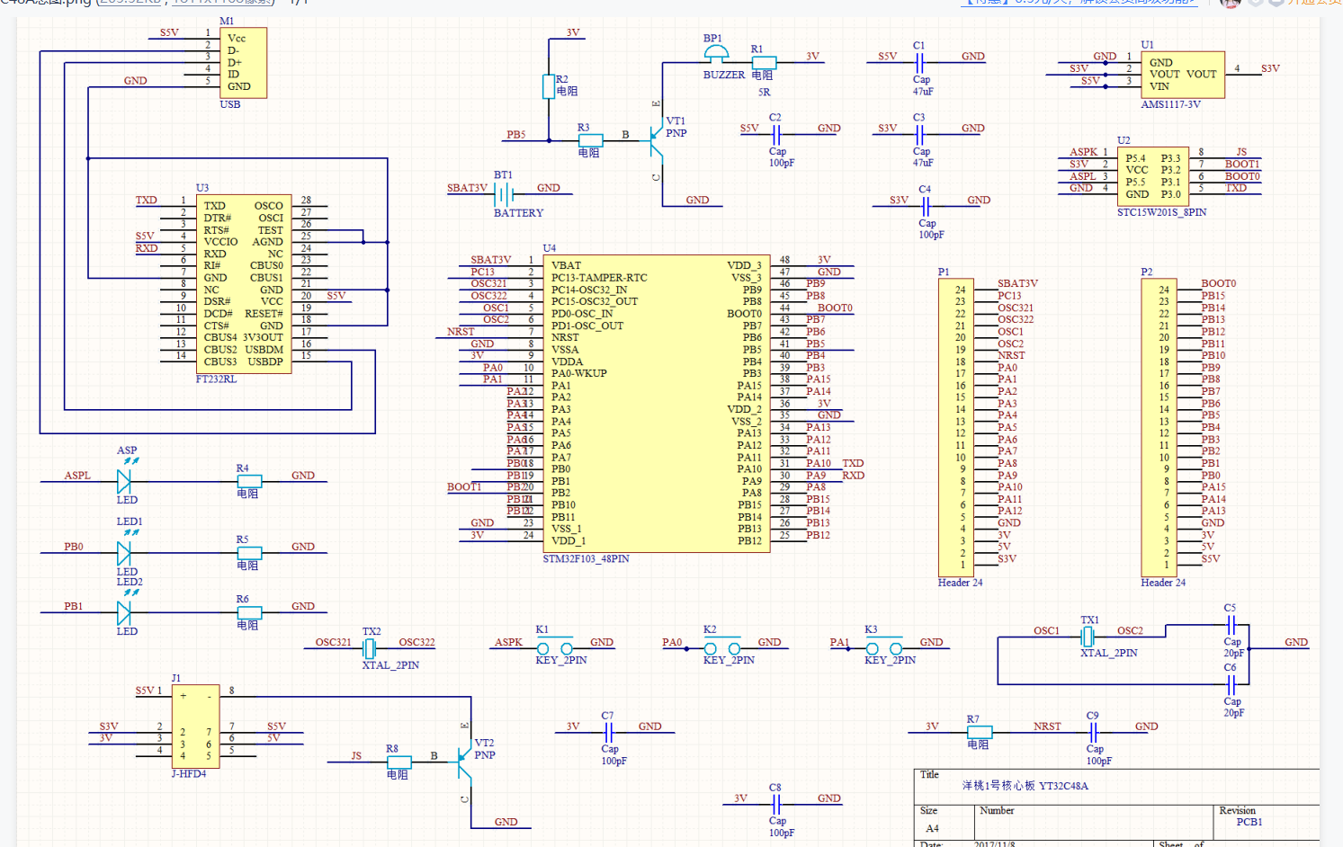
stm32核心板电路分析
图片尺寸1493x942
stm32f407zgt6最小系统板pcb文件与原理图
图片尺寸1222x846
stm32f103c8t6核心板原理图
图片尺寸1728x1080
stm32f103rbt6最小系统板原理图
图片尺寸1244x825