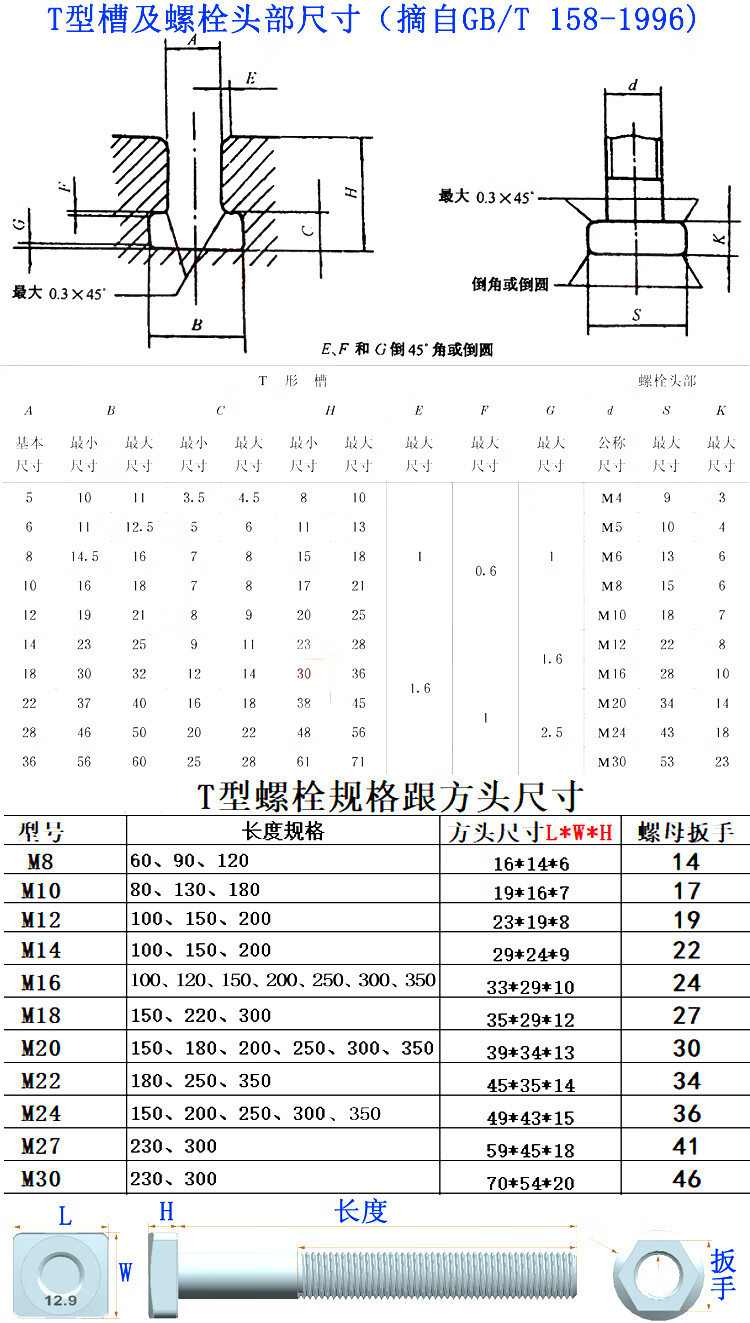
t型螺栓标准件规格表

t型方颈螺栓din186-1988
图片尺寸1287x937
t型螺栓工业铝型材专用配件螺丝碳钢镀锌镀镍欧标国标20/30/40/45
图片尺寸776x970
厂家直销供应-哈分槽t型螺栓-优质国标哈分槽t型螺栓-型号齐全
图片尺寸824x952
批发台湾进口米其林t型螺杆 双头螺丝 规格型号齐全
图片尺寸745x1054
t型螺栓
图片尺寸1066x826
9级t型形螺杆方头螺栓螺丝钉后盾注塑压铸机冲床模具弓形压板 m12*100
图片尺寸750x1323
imao t形螺栓 bj749 型号: 标准型:bj749-08010,bj749-10012,bj749
图片尺寸596x424
din261 t型螺栓
图片尺寸614x403
工业铝型材配件 现货t型螺栓 30/40铝合金型材t形螺丝 多种规格
图片尺寸737x471
配件地铁管片螺栓配件产品标准查询全国服务热线0310-6666919产品推荐
图片尺寸930x731
din 188-1987 t型带榫螺栓 t-head bolts with nib
图片尺寸600x545![jb1709-1991-t型螺栓[标准|规格]](https://imgs.wantubizhi.com/img/735A5D1F980B52A636CC46F12F2D1A731B4AD78A736E1B95E28DC0D2D37580167AE2BD797317722C01319FA9517BF5B95AC86F1B66C843B1A416BB50AD22607CC200E889DA38838E897FB13623CD74A62CE7248B79F1BCDD0F1C836DA4993B91)
jb1709-1991-t型螺栓[标准|规格]
图片尺寸612x466
创盈欧标工业铝型材专用t型螺栓20/30/40系列螺杆紧固件
图片尺寸600x360
gb/t 5782-2000六角头螺栓规格表
图片尺寸640x674
南充哈芬槽道上面专用的建支牌t型螺栓
图片尺寸720x800
现货 标准类型:国标 标准编号:gb5783-86 品牌:tpm 类别:t形螺栓 螺纹
图片尺寸733x600
din 1445-1977 带螺纹t型销轴(t型台阶栓)-t形螺栓标准件查询-标准件
图片尺寸510x706
gb/t 79-2000 m2 内六角圆柱端紧定螺钉规格尺寸
图片尺寸798x1081
30槽8系列t型螺栓8.16.06.m6xxx
图片尺寸600x343
的十字槽扁圆头螺钉,但是却要求表面处理是达克罗,对于这类标准件螺丝
图片尺寸688x982