t12焊台控制板原理图

发一款t12焊台pcb含原理图文件可直接打样
图片尺寸1207x741
发一款t12焊台pcb含原理图文件可直接打样
图片尺寸715x247
坏936焊台改t12交流版白菜白光t12控制板带自动休眠振动唤醒功能
图片尺寸1079x449
也做个白菜t12pcb控制板
图片尺寸774x489
山寨t12焊台温控器单片机数码管显示按键调温
图片尺寸895x573
分享多年前画的t12oled焊台pcb源文件pads格式
图片尺寸1032x795
自己diy白光焊台
图片尺寸1384x1024
坏936焊台改t12交流版白菜白光t12控制板带自动休眠振动唤醒功能
图片尺寸1081x444
stm32主控焊台t12控制板oled数显控制器diyt12diy套件
图片尺寸750x498
t12焊台
图片尺寸1174x901
验证过t12电烙铁616控制板lm358pmos原理图有注释
图片尺寸1169x828
关于焊台电路的几个初级问题求助各位坛友
图片尺寸1352x669
t12焊台数显版diy教程
图片尺寸700x468
t12焊台修改的温控器da(0-5v线性输出)基于stm103的原理图分享
图片尺寸968x586
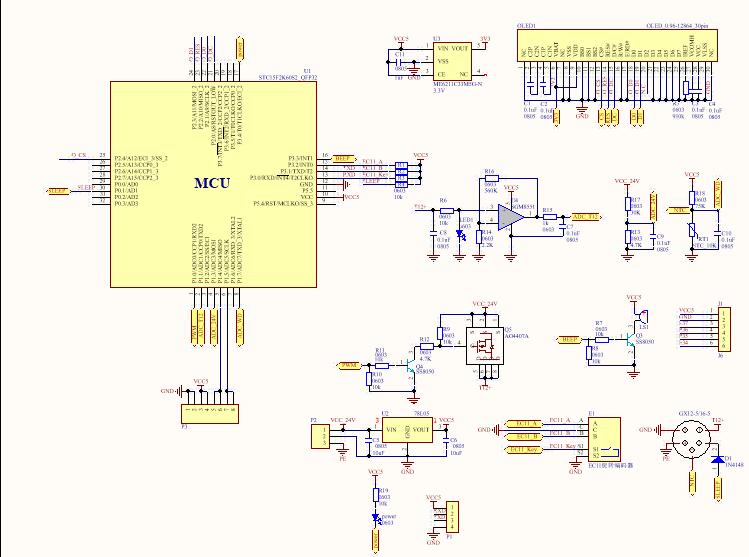
t12白光焊台控制板oled数显控制器stc15f主控开源diy套件
图片尺寸749x557
发一款t12焊台pcb含原理图文件可直接打样
图片尺寸809x554
t12数显焊台oled液晶显示控制板stc白菜白光控制器英文版数显
图片尺寸1294x561
白光936焊台修正的电路原理图
图片尺寸1278x679
hako936焊台原理图及电池供电的改装
图片尺寸2339x1654
自制936焊台的原理分析和测试报告
图片尺寸1278x679