tb2929hq功放块引脚图

锋驭原装导航tb2939hq改tda7850完美成功无高频自激噪音
图片尺寸700x512
[45w × 4通道btl音频功率ic,该tb2929hq是一个四通道btl功放汽车音频
图片尺寸827x1169
> tb2929hq 24 w, 4 channel, audio amplifier, pzfm25 pdf资料下载
图片尺寸892x1263
东芝2929彩电电源电路
图片尺寸1093x975
> tb2926hq 26 w, 4 channel, audio amplifier, pzfm25 pdf资料下载
图片尺寸892x1263
[45w × 4通道btl音频功率ic,该tb2929hq是一个四通道btl功放汽车音频
图片尺寸827x1169
tb2904hq maximum power 43 w btl 4-ch audio power ic
图片尺寸632x751
有类似情况,找到是这个贴: 马儿cd主机升级hifi级功放tda7850
图片尺寸700x446
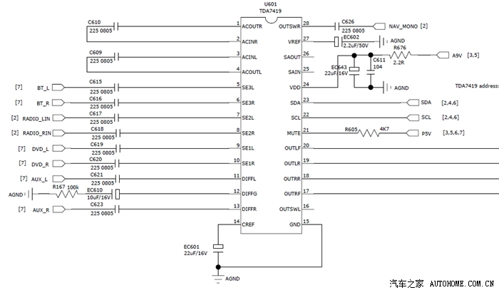
c50原车导航音响功放原理图
图片尺寸700x540
[45w × 4通道btl音频功率ic,该tb2929hq是一个四通道btl功放汽车音频
图片尺寸600x776
tb2905hq参数datasheetpdf下载
图片尺寸826x1169
259,音频功放电路图ta7233p260,音频功放电路图ta7240ap261,音频功放
图片尺寸1080x810
硬改加装15款逍客cd面板14款天籁机身tda7850
图片尺寸693x724
东芝全新原装步进马达ictb62209fg管脚示意图及参考原理 duo6
图片尺寸559x776
c50原车导航音响功放原理图
图片尺寸700x407
tb买的lm1876电路板有点问题
图片尺寸715x600
> tb2936hq 26 w, 2 channel, audio amplifier, pzfm25 pdf资料下载
图片尺寸892x1263
tda7388四声道系列功放套件剑飞电子
图片尺寸550x404
> tb1231an
图片尺寸826x1169
lme49830功放电路制作参考
图片尺寸394x394