tda2009引脚图

tda2009功放2013-11-3 17:05 947438056电子工程师深圳市迪瑞特科技
图片尺寸853x538
tda2009为双声道音频功率放大集成电路,输出功率2×10w(条件:24v工作
图片尺寸526x434
我用的是tda2009功放电路板,该接哪里?直接跟喇叭并联可以吗?
图片尺寸720x540
去哪可以拆到哈 ``` 最新回答 (7条回答) 张宝玺 19级 2009-11-08回答
图片尺寸324x252
1电脑音箱功放板的制作 和线路图 10 2009-02-10 tda2822a功放板电路
图片尺寸611x514
音频功率放大
图片尺寸1246x800
现有tda2009a如何制作一个功放电路 请高手指点 要图 先谢谢咯!
图片尺寸544x641
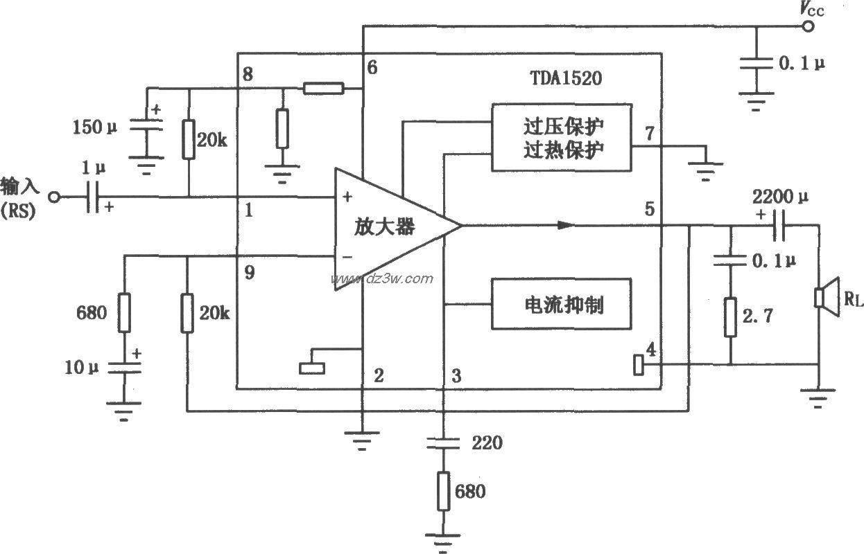
305,音频功放电路图tda2020306,音频功放电路图tda2030307,音频功放
图片尺寸1080x810
采用tda2009立体声功放ic制作的大功率btl功放电路
图片尺寸640x597
有源音箱降噪秘笈
图片尺寸400x243
0-tda7377加装tda7850功放板,希望版主加精!谢谢!
图片尺寸700x497
tda2009 otl单/双声道功放电路
图片尺寸800x337
lm1875功率较tda2030及tda2009都为大,电压范围为16~60v
图片尺寸320x316
tda2009a功率放大电路
图片尺寸480x334
tda2009a电压tda2030引脚电压参数
图片尺寸500x496
tda2009
图片尺寸764x401
> tda2009a (意法半导体) 10 10w stereo amplifier pdf资料下载
图片尺寸816x1056
tda2009引脚功能电压资料tda2009引脚功能电压资料td|2017-09-01tda
图片尺寸603x399
来源: 本站整理 佚名 2009年08月19日 09:48 分享
图片尺寸1070x842
老版本inkanet 机头功放改装
图片尺寸612x427