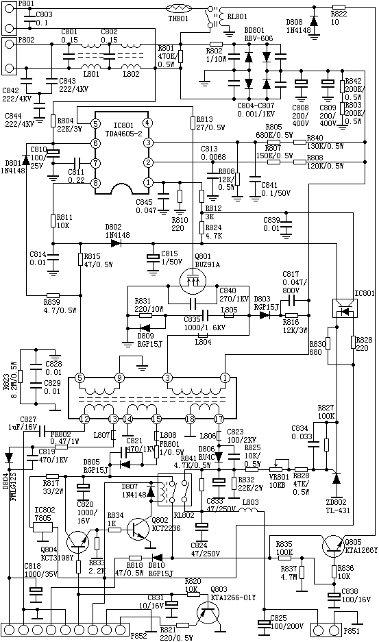
tda4605电源图

电源采用tda4605-2制作的开关电源电路图电路图技术资料|2016-09-14
图片尺寸553x937
电源采用tda4605-2制作的开关电源电路图电路图技术资料|2016-09-12
图片尺寸1009x721
康佳电路图
图片尺寸1542x456
tda4605电路图.jpg
图片尺寸2367x3177
并联型主开关电源电路图
图片尺寸800x594
厦华u系列高清变频彩电保护电路原理与维修上
图片尺寸3489x2429
图技术资料|2016-09-08采用tda4605-2制作的开关电源采用tda4605-2
图片尺寸423x326
测绘该机左声道功放级(主音箱扬声器由左声道驱动),静音电路和电源
图片尺寸1413x2213
金星c7458彩电采用tda4605-2的电源
图片尺寸553x937
长虹pf29d9彩电开机困难故障检修
图片尺寸1832x1323
康佳t2909a彩电收看时机内冒烟,随后三无
图片尺寸1434x847
tda4605参数datasheetpdf下载
图片尺寸826x1169
tda 4605-2 test circuit test circuit semiconductor group 66
图片尺寸826x1169
str6309电源电路图
图片尺寸1004x375
fscq1265rt, ka5q1265rf,str-w6756, tda16846, ka3s0680r, tda4605
图片尺寸2448x1847
str-s6709,mc44608,tda16846,ka3s0680rfb,ka3s0880rfb,tda4605等电源
图片尺寸473x192
康佳t2568k电源部分tda16846集成块11脚接vd903型号?
图片尺寸580x703
> cw4605cp 开关电源控制电路 =tda4605-3 pdf资料下载
图片尺寸793x1123
④脚呈现不稳定漏电电阻后,相当于给电源热端的驱动块(tda4605)一个 b
图片尺寸722x551
发现电源振荡块tda4605⑤脚(激励脉冲输出脚)有一圈裂纹.
图片尺寸243x269