tda7377参数

用tda7377做一款立体声功放
图片尺寸933x963
功放板tda7377
图片尺寸629x850
tda7561
图片尺寸892x1263
关于tda7377问题的请教
图片尺寸630x571
tda3857各引脚功能与引脚电压
图片尺寸428x367
夏利n5-1.0-tda7377加装tda7850功放板,希望版主加精!谢谢!
图片尺寸700x497
洋丽红提车,认证.
图片尺寸400x670
摆地摊了,功放盒子,通电即响
图片尺寸560x365
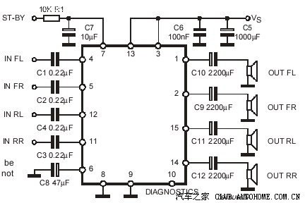
tda7377 (utc-ic [2× 30w双路/四路功放汽车收
图片尺寸827x1169
12舒适功放tda7377基本电路
图片尺寸432x288
tda7377制作的21声道立体声重低音212w加37功放
图片尺寸593x657
基于tda73772x30瓦音频放大器
图片尺寸647x438
cd7377czpdf文档.pdf
图片尺寸800x1132
tda7377的15个引脚工能集参数工作原理接线图电路图一定要tda7377的有
图片尺寸500x282
tda7377引脚功能:管脚 功能1 输出12 输出23 电源
图片尺寸550x354
to adapt to different areas of constant pressure water supply
图片尺寸450x275
多媒体音响功率ic使用分类
图片尺寸550x402
用tda7377做一款立体声功放
图片尺寸802x470
用tda7377做一款立体声功放
图片尺寸857x568
1声道立体声重低音2×12w加37功放
图片尺寸750x730