tda7729参数

广西柳州充电桩210-360kw直流充电桩_参数_图片_机电之家网
图片尺寸616x794
芯片引脚及主要特性w78c154八位仿真微控制器
图片尺寸2902x2604
tda9875a的引脚功能
图片尺寸500x644
有谁知道内部带有4个功放的芯片的型号音质好的那种
图片尺寸642x440
【03tda7311串行总线控制音频处理器输入多路复用器- 两个立体声
图片尺寸826x1169
单片412位ad转换器7135的特点引脚功能及应用范围
图片尺寸375x253
q4459芯片引脚功能 - 电子发烧友网
图片尺寸564x352
pdf_tda7729电路图-电子政务文档类资源-csdn下载
图片尺寸440x620
tda6920xsiemensag7x5videomatrixswitchpdf资料下载
图片尺寸793x1123
有需请来电:0755-83614893
图片尺寸635x748
tda5255e1参数datasheetpdf下载
图片尺寸781x1107
q67000-a9230 参数 datasheet pdf下载
图片尺寸826x1169
tda7729 封装tssop28 低噪音音频功率放大器集成芯片 提供bom配单
图片尺寸800x800
买卖ic网 pdf目录98154 > ta7729p color signal e
图片尺寸784x1005
tda1581t 参数 datasheet pdf下载
图片尺寸828x1169
lm3406
图片尺寸808x640
前置运放电路36,重低音音频电路37,eq音效电路1)csc375342)tda772938
图片尺寸1200x495
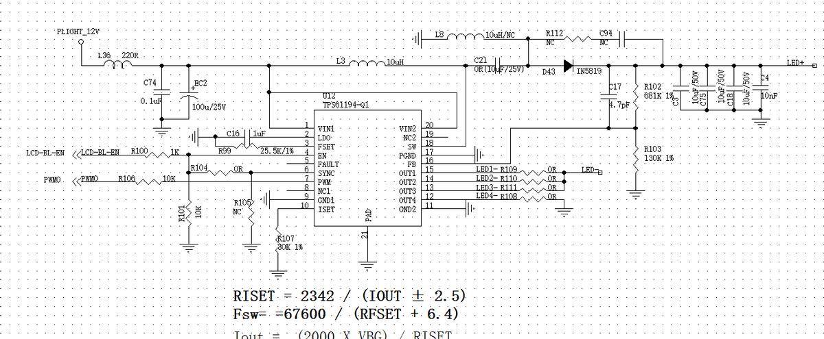
汽车电子常用外围硬件电路设计_供电_检测_参考
图片尺寸1144x627
采用tda7088t单片收音机电路图
图片尺寸550x681
汽车电子常用外围硬件电路设计集合
图片尺寸554x321