tip31c引脚图电路图

tip31c是什么管?一文全部帮你搞定,参数 引脚排列 应用电路 - 知乎
图片尺寸1200x812
21:51须臾之初| 分类:工程技术科学 我在使用三极管tip31c作为
图片尺寸461x240
34063 反压扩流 应该怎么接电路? 手头有tip31c
图片尺寸576x370
规格型号封装规格安装类型应用领域电路数包装方式生产批号输出电压
图片尺寸360x360
只有三极管tip32,tip31能不能设计一放大电路在51单片机中驱动3v直流
图片尺寸450x238
adcb-20-82 1-800mhz 封装smd6 mini-circuits 双向耦合器-阿里巴巴
图片尺寸360x360
tip31c,tip31c pdf中文资料,tip31c引脚图,tip31c电路-datasheet-电子
图片尺寸826x1169
tip31ca,tip31ca pdf中文资料,tip31ca引脚图,tip31ca电路-datasheet
图片尺寸1166x1650![tip31f (isc [isc的硅npn功率晶体管]) pdf技术资料下载 tip31f 供应](https://imgs.wantubizhi.com/img/ADDA3C5D760C6828B77B505A29D43E832B24F0E2E440DBC6A146500C604E01A4315FB1102C0141B40E39095B9114ECF8938C8BD94FD145F23AE244ECDEC3E56B3E3B67A46FF8458F141C34CAD874F1476239A2D45F216789070C84FA77A1BB42)
tip31f (isc [isc的硅npn功率晶体管]) pdf技术资料下载 tip31f 供应
图片尺寸827x1169
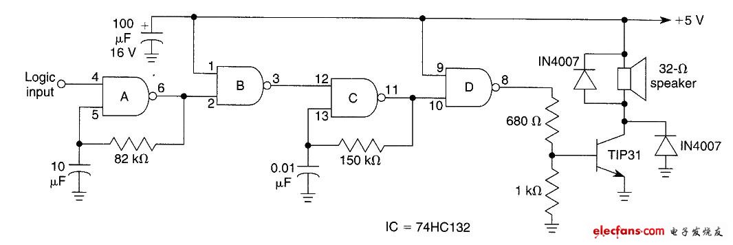
沃布尔振荡器电路信号处理电子电路图讲解
图片尺寸1066x356
2a下18v至30v的ne5561直流-直流开关式电源-电源电路-维库电子市场网
图片尺寸916x486
diy论坛-做了一个简单省电的运放推晶体管小功放 - powered by discuz
图片尺寸870x557
tip31c;中文规格书,datasheet资料
图片尺寸331x232
tip31c
图片尺寸1240x1754
典型的开漏输出电路.
图片尺寸342x411
tip31/tip31c/三极管 原装st,fairchild
图片尺寸735x1024
于xtr105和tip31c的气温传感器
图片尺寸385x158
首页 t字母型号页 t字母第5页 tip120 产品speci fi cation 硅npn
图片尺寸826x1169
tip31a tip31b tip31c tip32a tip32b tip32c
图片尺寸918x1188
tip31c,tip31c pdf中文资料,tip31c引脚图,tip31c电路-datasheet-电子
图片尺寸826x1169