tip41c特斯拉线圈电路

只要有初中物理水平,就可以理解神奇的"特斯拉线圈"原理
图片尺寸640x427
特斯拉线圈
图片尺寸889x403
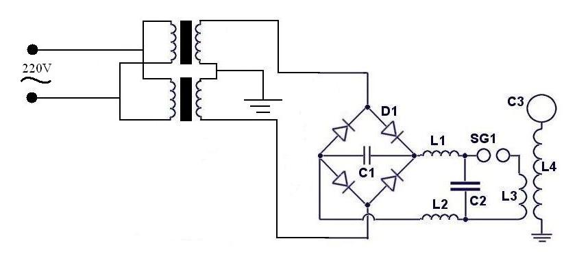
求这台(下面有图)tc详细(特斯拉线圈)电路图,我这张图看不懂.
图片尺寸1366x768
尼古拉·特斯拉的"特斯拉线圈"
图片尺寸648x414
diy特斯拉线圈
图片尺寸987x615
简易音乐特斯拉线圈
图片尺寸787x589
特斯拉线圈原理图
图片尺寸508x540
有谁有这个音乐特斯拉线圈的原理图啊
图片尺寸812x587
11 当代特斯拉线圈的电路原理图
图片尺寸929x587
特斯拉线圈电路 特斯拉线圈电路图讲解
图片尺寸1080x2160
特拉斯线圈电路
图片尺寸686x432
diy特斯拉线圈(含电路图与实物制作)
图片尺寸750x702
教程forever一只特斯拉线圈的养成含教程
图片尺寸576x483
tip41c功放电路图大全四款tip41c功放电路
图片尺寸770x540
特斯拉线圈电路图1.jpg
图片尺寸842x387
特斯拉线圈无线电能传输原理
图片尺寸640x712
特斯拉线圈电路图 - 科创
图片尺寸654x396
谁能给我解释一下tip41c和42c在此电路中的作用 - 捷配电子市场网
图片尺寸588x484
tip41c简单典型电路图汇总(四款tip41c典型电路图)
图片尺寸478x293
tip41c功放电路图大全(四款tip41c功放电路)
图片尺寸741x395