tlp521-4引脚图

tlp521中文资料pdf_tlp521芯片概述/特性/原理及引脚图等信息
图片尺寸742x659
全新p521tlp5211gbtlp521光耦直插dip4光电耦合器国产耦合器
图片尺寸650x511
这款p521光耦四个角哪个是输入哪个是输出?
图片尺寸850x486
-tlp521-1gb tlp521-1 p521 光耦 直插dip4 ic 芯片 光电耦合器 型号
图片尺寸790x809
请教各位看我的光耦tlp521-4用的对吗?
图片尺寸489x344
芯片tlp521的引脚图及功能
图片尺寸665x385
求助:光耦tlp521-4有关问题,谢谢!
图片尺寸536x429
5a的智能栅极驱动ic光耦tlp5212.
图片尺寸500x281
单片机驱动光耦tlp521问题,大侠看看
图片尺寸601x479
请教光耦tlp521-4输出端的两根线间接1.8k电阻的作用
图片尺寸635x276
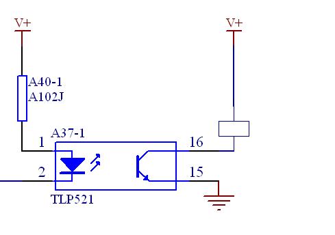
要求:光耦合隔离用tlp521和直流继电器24v.这样连接行吗?
图片尺寸786x392
tlp521-4主要技术参数及引脚图
图片尺寸394x334
tlp521(光耦控制) word文档
图片尺寸623x430
推荐tlp620.
图片尺寸506x391
650_459
图片尺寸650x459
如何利用tlp521的光耦电路将pwm信号4.
图片尺寸843x468
光耦参数及资料
图片尺寸893x518
tlp521-4
图片尺寸746x772
单片机控制24v电源电路
图片尺寸511x356
tlp521-1 pdf下载及第1页内容在线浏览
图片尺寸970x1517