typec转usb接线图

usb type-c接口详细定义,自制type-c转3.5mm耳机转接线
图片尺寸484x487
type-c转3.5mm耳机音频接线方法
图片尺寸563x465
usb接口定义 | usb type c接口定义 | 制作type a转type c充电-数据线
图片尺寸718x5139
typec接口定义
图片尺寸920x1302
技术向:usb type-c工作原理深度解析
图片尺寸600x457
type-c接口最早随着usb3.
图片尺寸500x272
ag9310接 video source 端的 type c 接口為 type c 母座设计电路.png
图片尺寸1178x584
usb接口定义 | usb type c接口定义 | 制作type a转type c充电-数据线
图片尺寸871x545
usb type-c端子示意图
图片尺寸587x408
一种usbtypec接口电路的制作方法
图片尺寸1000x643
usb type c 连接器怎么接线(typec接线顺序)
图片尺寸445x627
usb type c接口,高传输的解决方案分析
图片尺寸749x496
usb type-c支持模拟音频耳机
图片尺寸681x473
usb type c转usb 2.0a公接线图
图片尺寸500x324
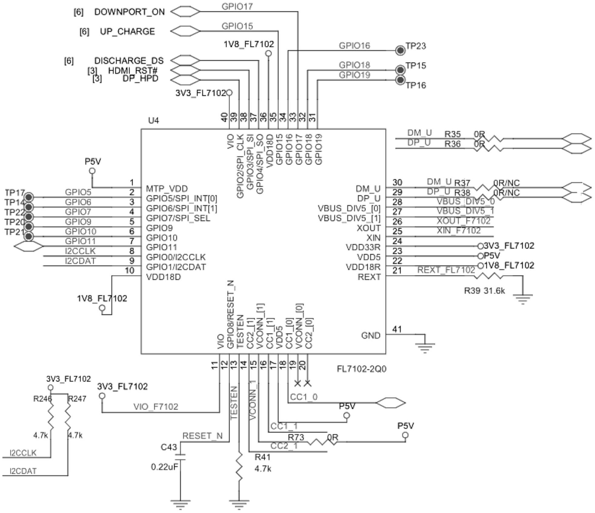
cn213458026u_一种type-c转换电路有效
图片尺寸1964x1693
usbtypec接口即将一统江湖
图片尺寸748x490
关于把usb 3.0老式端口转换为一个type-c方法教学
图片尺寸600x789
typec的接口可以兼容usb2.
图片尺寸1097x673
cn110765055a_一种type-c接口转接器电路及type-c接口转接器在审
图片尺寸1000x549
usb type c转usb 2.0a公接线图
图片尺寸500x318