typec转usb30电路图

一种usbtypec接口电路的制作方法
图片尺寸1000x643
usbtypec手机无线领夹麦克风mic快充方案直播方案
图片尺寸761x366
usb type-c接口的详细资料说明-电子电路图,电子技术资料网站
图片尺寸647x418
cs5267设计usbtypec转hdmi电子电路图
图片尺寸1117x782
ns6116type c开关mos:fks4004电路板:2,usb type c 单口18w pd快充
图片尺寸4449x2410
单usb type-c接口桌面显示器专用解决方案,ldr6290部分电路如下:从上
图片尺寸1293x700
cn211790747u_一种usbtype-c接口保护电路以及ar设备
图片尺寸2598x2026
usbtypec接口高传输的解决方案分析
图片尺寸749x496
typec型硬件与电路揭秘cypressusbtypec电路设计与解决方案
图片尺寸971x613
typec接口知识
图片尺寸1115x534
一种fpga加速卡的多功能usbtypec接口电路的制作方法
图片尺寸1000x543
cs5267设计usbtypec转hdmi电子电路图
图片尺寸1116x791
基于stm32的传统usb 2.0接口到type-c的转换方案
图片尺寸640x360
win7usb转ttl电路图自制usb转ttl
图片尺寸1214x800
sss1530_typec转3.5mm耳机方案设计电路图
图片尺寸1210x765
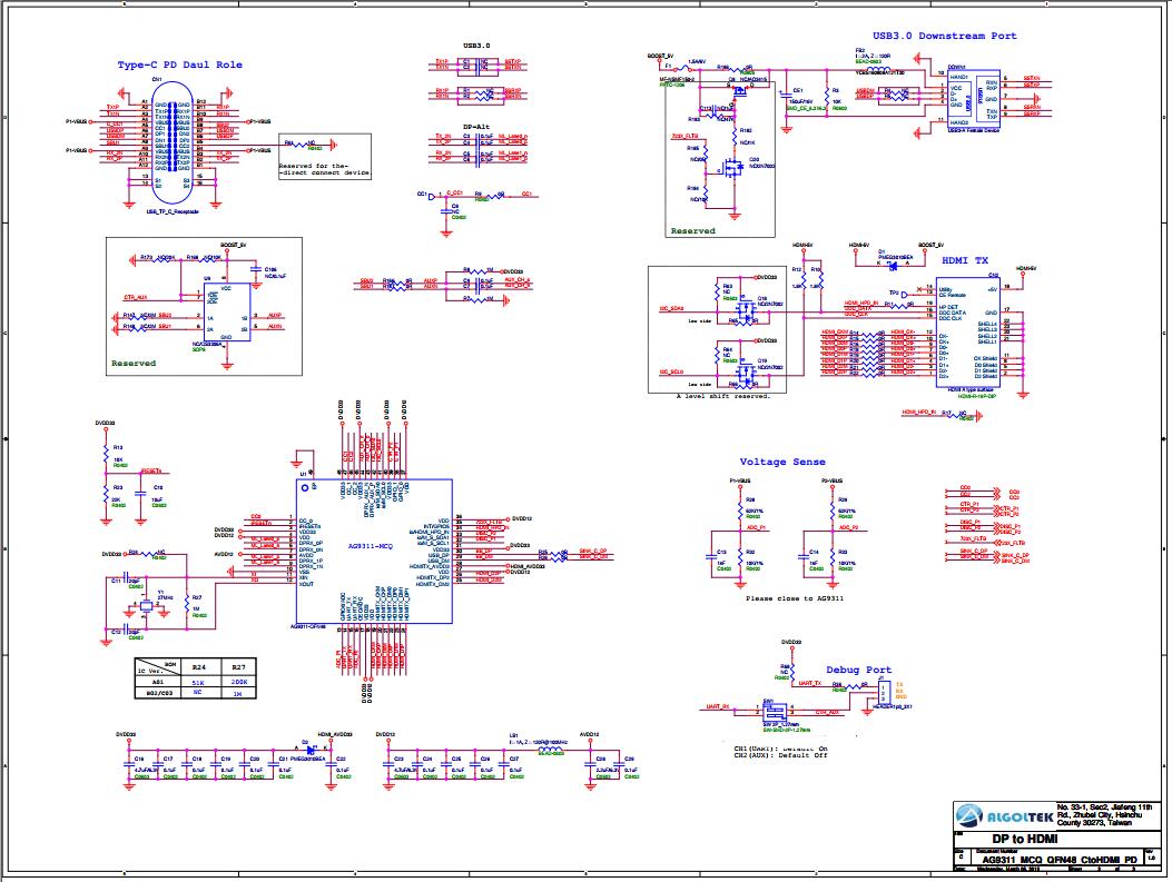
ag9311mcq设计以上usb typec转hdmi带pd快充拓展坞设计原理图参考电路
图片尺寸1111x783
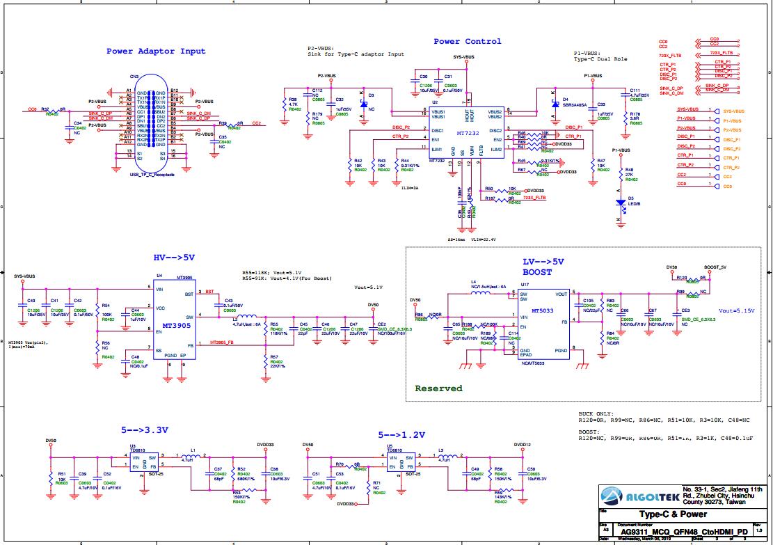
ag9311mcq设计以上usb typec转hdmi带pd快充拓展坞设计原理图参考电路
图片尺寸1053x793
usbtypec口pd快充充电协议ic和芯片方案
图片尺寸5543x2338
type-c母转usb3.0a公 高速转接头 usb3.0公转3.1母 充电数据转接
图片尺寸1040x603
max20342usbtypec充电器检测器的介绍应用结构图及电路图
图片尺寸1080x776