u型卡箍规格型号

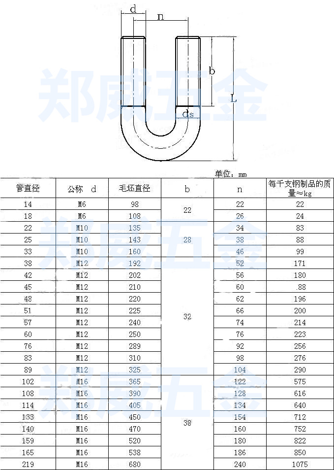
常用u型卡箍尺寸表
图片尺寸920x1303
u形卡管固定卡抱箍国标u型栓u型丝管夹u型螺丝螺栓m6m8m10m12 m10*
图片尺寸790x1193
u形螺丝304不锈钢u形卡u型管卡u型螺栓管夹固定卡扣骑马m6m8m10mm
图片尺寸790x1457
u型管卡尺寸长度查询表
图片尺寸1190x1684
国标镀锌u型卡 u型螺丝 u型螺栓 卡箍 定制u型管卡m6-m16 m8*dn100(4
图片尺寸750x1800
国标镀锌u型卡箍u型管卡u型卡扣u型螺丝螺栓m6/8/10/12/16/20
图片尺寸1070x1200
【m12】镀锌国标u型卡固定卡箍u型螺栓u型栓u型管卡可配国标螺母
图片尺寸679x954
定制国标镀锌u型卡管固定卡抱箍u型螺栓u型螺丝u型管卡u型卡箍m10含
图片尺寸800x618
上新拖拉机 旋耕机配件深松翻地犁u型卡子,卡箍 m14 16 18,型号全
图片尺寸800x800
馨霆国标镀锌u型卡u形u型螺丝u型螺栓u型管卡m6m16定制异形卡m6dn206
图片尺寸750x855
u型管卡尺寸长度查询表doc6页
图片尺寸792x1120
厂家生产西德福标准不锈钢u型管卡 u型螺栓 碳钢镀锌u型卡 u型夹
图片尺寸634x803
u型管卡(6张)
图片尺寸720x913
u型卡 产地 河北 品牌 ds 型
图片尺寸790x367
sxub型橡胶硫化u型管夹 船用u型管卡管夹 多种规格固定卡u型管夹
图片尺寸800x1086
u型管卡尺寸长度查询表
图片尺寸764x1026
定制304不锈钢u形管卡骑马管箍支架管扣喉箍水管夹卡扣抱箍u型卡箍
图片尺寸790x1052
订做u型螺丝厂家生厂碳钢4.8级u型栓镀锌u型管卡-螺峰
图片尺寸1625x1920
厂家直销u型抱箍u型卡箍 质优价廉欢迎订购
图片尺寸691x586
加铁托型u型管夹,卡箍
图片尺寸1386x1920