z80cpu电路图

【精简版】计算机原理_z80引脚图-csdn博客
图片尺寸813x689
z8069微型计算机的电路图
图片尺寸539x763
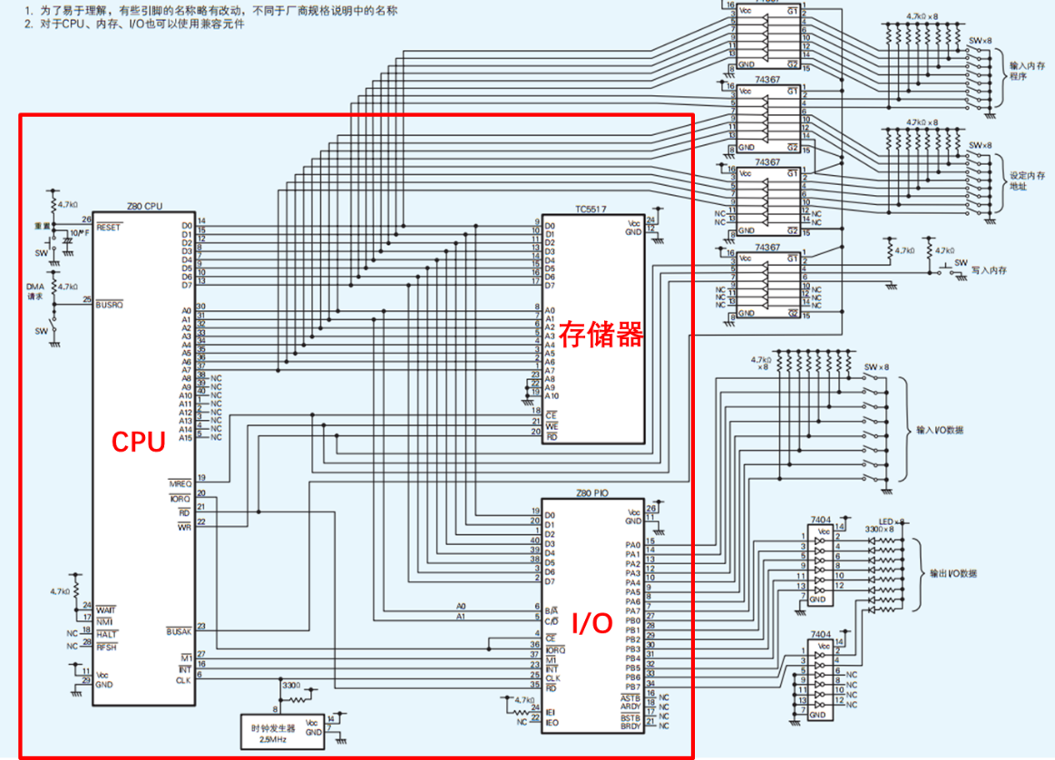
下图是一个简单的z80微型计算机系统,它由cpu,存储器和i/o组成.
图片尺寸1163x838
【精简版】计算机原理_z80引脚图-csdn博客
图片尺寸894x394
pc寄存器,程序指针,存储着指向cpu接下来要执行的指令地址,程序依靠不
图片尺寸551x375
z80时钟电路图
图片尺寸703x629
多路ad转换器adc0809与z80cpu连接
图片尺寸1021x666
集成到cpu中的音频信号编码电路音频电路多媒体电路信号处理电路所示
图片尺寸1076x1328
z8018x微处理器提供指令集和cpu寄存器
图片尺寸394x438
资源中心-优课网
图片尺寸560x483
lh0080 datasheet(2/25 pages) sharp | z80 cpu central processing
图片尺寸748x1081
80开关电路图中czk指什么
图片尺寸504x338
传奇的zilog z80 cpu在坚守近50年后宣告停产
图片尺寸640x272
bq40z80 smbus v1.1 兼容接口单芯片全集成安全存储
图片尺寸984x1054
电源8脚ic烧炸了,怎样确认集成块型号?
图片尺寸797x442
图5. 最小版本cpu电路图
图片尺寸908x768
可编程接口芯片8255a
图片尺寸912x615
任务目标 绘制以下z80单片机系统的部分功能电路原理图
图片尺寸658x425
已生产近 50 年!传奇芯片 z80 将于今年 6 月停产
图片尺寸600x562
图1 74ls138管脚图 例 此例采用8位的z80cpu的微机控制系统,按控制
图片尺寸712x444